Operation CHARM: Car repair manuals for everyone.
Manuals through 2025 now available!

Our trusted friends have launched a new website named LEMON, which has newer manuals. It also contains all the CHARM manuals.

LEMON is the spiritual successor to CHARM, I recommend you try it!

Link: lemon-manuals.la or lemon-manuals.org.ua

(Some people have issue connecting. LEMON is investigating. For now, use Firefox or change your DNS server)

Or, hide this message: temporarily or permanently

Timing Cover: Service and Repair

ENGINE FRONT COVER - 3.0L (4V) REMOVAL/INSTALLATION














Removal

Caution
^ During engine repair procedures, cleanliness is extremely important. Any foreign material, including any material created while cleaning gasket surfaces that enters the oil passages, coolant passages or the oil pan, can cause engine failure.


1. With the vehicle in NEUTRAL, position it on a hoist.
2. Release the fuel system pressure.
3. Disconnect the negative battery cable.
4. Remove the crankshaft front oil seal.
5. Remove the generator bolt and the 2 nuts.





6. Remove the stud and position the generator away from the engine.





7. Remove the bolt and the accessory drive belt tensioner.
8. Remove the bolt and the LH accessory drive belt idler pulley.
9. Remove the bolt and the center accessory drive belt idler pulley.





10. Remove the 3 RH accessory drive belt idler pulley and bracket bolts.
^ Detach, the wiring harness retainer and remove the idler pulley assembly.
11. Detach the wiring harness retainer, remove the nut and the catalyst monitor sensor electrical connector bracket.
12. Disconnect the crankshaft position (CKP) sensor electrical connector.
13. Disconnect the camshaft position (CMP) sensor electrical connector.
14. Remove the LH and RH valve covers.
15. Remove the engine support insulator.
16. Disconnect the A/C pressure switch electrical connector.
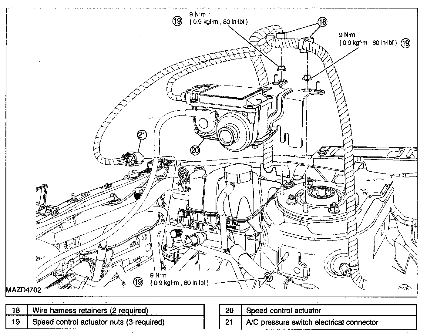
17. Detach the 2 wiring harness retainers from the speed control actuator mounting studs.
18. Remove the 3 nuts and position the speed control actuator aside.
19. Remove the 2 oil pan-to-front cover bolts.
20. Remove the 14 bolts, 2 stud bolts and the engine front cover.
21. Remove and discard the gaskets.

Installation
1. Use a plastic scraping tool to remove all traces of sealant.
^ Clean all sealing surfaces with metal surface cleaner and install new gaskets.

Caution
^ Do not use metal scrapers, wire brushes, power abrasive discs or other abrasive means to clean the sealing surfaces. These tools cause scratches and gouges which make leak paths.


Caution
^ Do not damage the oil pan gasket while cleaning the sealant from the lower cylinder block-to-oil pan joint.






2. Apply a 6 mm (0.23 in) diameter dot of silicone gasket and sealer to the cylinder block, lower cylinder block, cylinder head and oil pan mating surfaces.

Note
^ The engine front cover must be installed and the bolts tightened within 4 minutes of applying sealant.





3. Position the engine front cover and install the bolts. Tighten the bolts in the sequence shown to 25 N-m (2.5 kgf-m, 18 ft-lbf).
4. Install the 2 oil pan-to-front cover bolts.
^ Tighten to 25 N-m (2.5 kgf-m, 18 ft-lbf).
5. Remove the oil pan plug, drain the engine oil.
^ Install the plug and tighten to 26 N-m (27 kgf-m, 19 ft-lbf).
6. Install the speed control actuator and 3 nuts.
^ To install, tighten to 9 N-m (0.9 kgf-m, 80 in-lbf).
7. Attach the 2 wiring harness retainers to the speed control actuator mounting studs.
8. Connect the A/C pressure switch electrical connector.
9. Install the engine support insulator.
10. Install the RH and LH valve covers.
11. Connect the CMP sensor electrical connector.
12. Connect the CKP electrical connector.
13. Install the catalyst monitor sensor electrical connector bracket and the nut.
^ Tighten to 10 N-m (1.0 kgf-m, 89 in-lbf).
^ Attach the wiring harness retainer.
14. Install the RH accessory drive belt idler pulley and bracket and attach the wiring harness retainer.
^ Install the 3 bolts and tighten to 25 N-m (2.5 kgf-m, 18 ft-lbf).
15. Install the center accessory drive belt idler pulley.
^ Tighten to 25 N-m (2.5 kgf-m, 18 ft-lbf).
16. Install the LH accessory drive belt idler pulley.
^ Tighten to 47 N-m (4.8 kgf-m, 35 ft-lbf).
17. Install the accessory drive belt tensioner and the bolt.
^ Tighten to 45 N-m (4.6 kgf-m, 33 ft-lbf).
18. Position the generator and install the stud.
^ Tighten to 8 N-m (0.8 kgf-m, 71 in-lbf).
19. Install the generator bolt and 2 nuts.
^ Tighten to 47 N-m (4.8 kgf-m, 35 ft-lbf).
20. Install the crankshaft front oil seal.
21. Fill the engine with clean engine oil.
22. Connect the negative battery cable.