Operation CHARM: Car repair manuals for everyone.
Manuals through 2025 now available!

Our trusted friends have launched a new website named LEMON, which has newer manuals. It also contains all the CHARM manuals.

LEMON is the spiritual successor to CHARM, I recommend you try it!

Link: lemon-manuals.la or lemon-manuals.org.ua

(Some people have issue connecting. LEMON is investigating. For now, use Firefox or change your DNS server)

Or, hide this message: temporarily or permanently

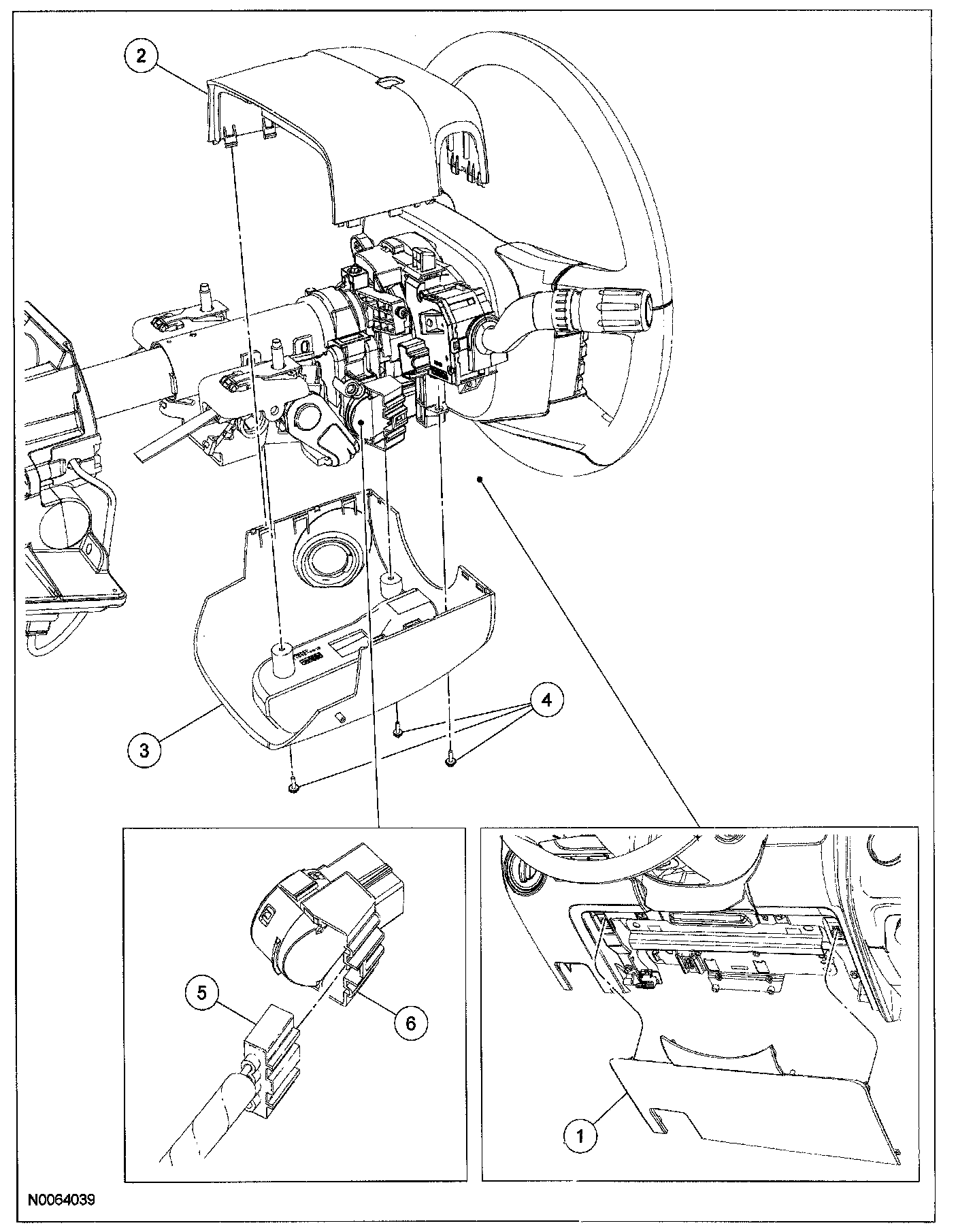
Ignition Switch Removal/Installation

IGNITION SWITCH REMOVAL/INSTALLATION









CAUTION: Do not remove the ignition lock cylinder and the ignition switch at the same time or damage to the column can result.

1. Remove the steering column opening trim.
2. Remove the 3 lower steering column cover screws.
3. Remove the upper and lower steering column covers.
4. Disconnect the ignition switch electrical connector.
5. Remove the ignition switch by pressing the 2 tabs and pulling the ignition switch outward.
6. To install, reverse the removal procedure.