Operation CHARM: Car repair manuals for everyone.
Manuals through 2025 now available!

Our trusted friends have launched a new website named LEMON, which has newer manuals. It also contains all the CHARM manuals.

LEMON is the spiritual successor to CHARM, I recommend you try it!

Link: lemon-manuals.la or lemon-manuals.org.ua

(Some people have issue connecting. LEMON is investigating. For now, use Firefox or change your DNS server)

Or, hide this message: temporarily or permanently

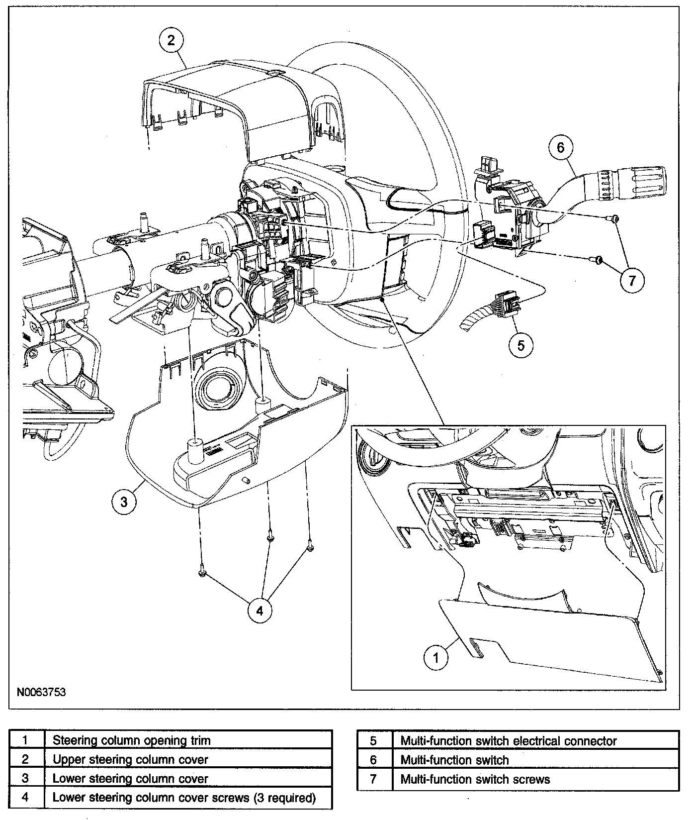
Steering Column Multi - Function Switch Removal/Installation

STEERING COLUMN MULTI-FUNCTION SWITCH REMOVAL/INSTALLATION






CAUTION: Do not remove the ignition lock cylinder and the ignition switch at the same time or damage to the column may result.

1. Remove the instrument panel steering column cover.
2. Remove the 3 lower steering column cover screws and the upper and lower steering column covers.
3. Remove the 2 multi-function switch screws.
4. Remove the multi-function switch.
5. To install, reverse the removal procedure.