Operation CHARM: Car repair manuals for everyone.
Manuals through 2025 now available!

Our trusted friends have launched a new website named LEMON, which has newer manuals. It also contains all the CHARM manuals.

LEMON is the spiritual successor to CHARM, I recommend you try it!

Link: lemon-manuals.la or lemon-manuals.org.ua

(Some people have issue connecting. LEMON is investigating. For now, use Firefox or change your DNS server)

Or, hide this message: temporarily or permanently

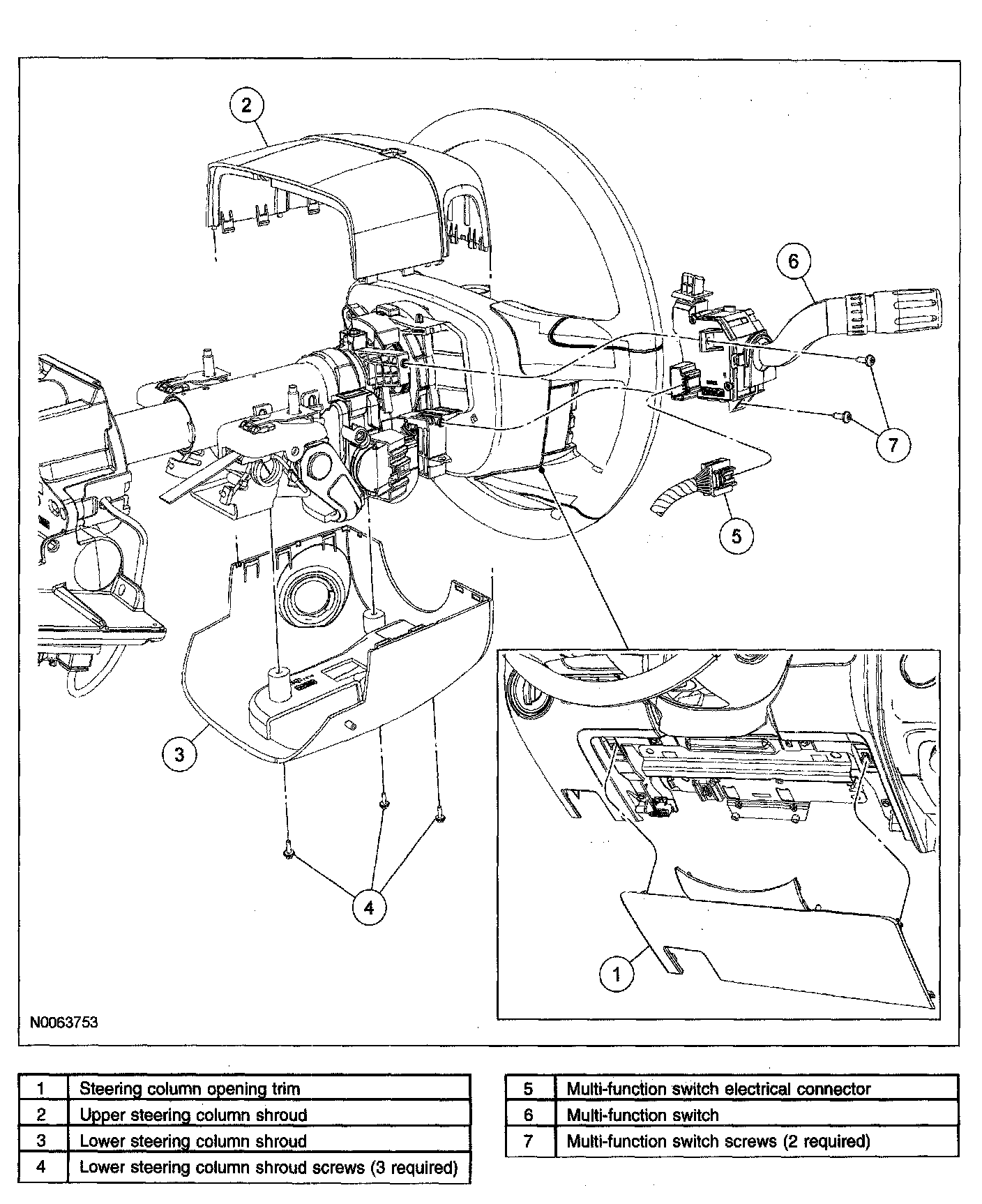
Multi-Function Switch Removal/Installation

MULTI-FUNCTION SWITCH REMOVAL/INSTALLATION





1. Remove the steering column opening trim.
2. Remove the 3 lower steering column shroud screws.
3. Remove the upper and lower steering column shrouds.
4. Remove the 2 multi-function switch screws.
5. Disconnect the multi-function switch electrical connector and remove the switch.
6. To install, reverse the removal procedure.