Operation CHARM: Car repair manuals for everyone.
Manuals through 2025 now available!

Our trusted friends have launched a new website named LEMON, which has newer manuals. It also contains all the CHARM manuals.

LEMON is the spiritual successor to CHARM, I recommend you try it!

Link: lemon-manuals.la or lemon-manuals.org.ua

(Some people have issue connecting. LEMON is investigating. For now, use Firefox or change your DNS server)

Or, hide this message: temporarily or permanently

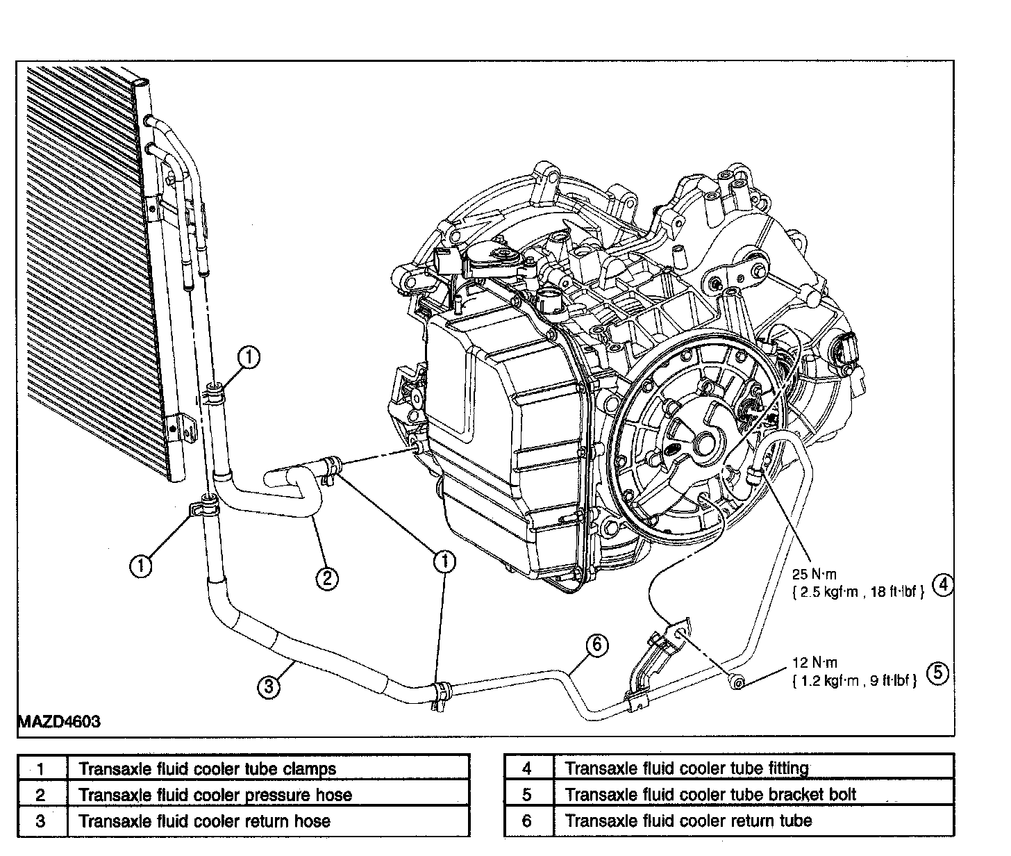
Fluid Line/Hose: Service and Repair

TRANSAXLE FLUID COOLER TUBES REMOVAL/INSTALLATION





1. With the vehicle in NEUTRAL, position it on a hoist.
2. Remove the radiator grille.





3. Disconnect the transaxle fluid cooler hoses from the transaxle fluid combo cooler.





4. Remove the retainer, the 5 bolts and the LH splash shield.





5. Disconnect the front transaxle fluid cooler hose from the transaxle case.





6. Disconnect and remove the rear cooler tube fitting from the transaxle case.
^ To install, tighten to 25 N-m (2.5 kgf-m, 18 ft-lbf).





7. Disconnect and remove the fluid cooler tube bracket and bolt from the transaxle case.
^ To install, tighten to 12 Nm (1.2 kgf-m, 9 ft-lbf).
8. Remove the fluid cooler tubes from under the vehicle and install new as necessary.
9. To install, reverse the removal procedure.
10. Start the vehicle and check the transaxle fluid level.
^ Fill the transaxle to the specified level.