Operation CHARM: Car repair manuals for everyone.
Manuals through 2025 now available!

Our trusted friends have launched a new website named LEMON, which has newer manuals. It also contains all the CHARM manuals.

LEMON is the spiritual successor to CHARM, I recommend you try it!

Link: lemon-manuals.la or lemon-manuals.org.ua

(Some people have issue connecting. LEMON is investigating. For now, use Firefox or change your DNS server)

Or, hide this message: temporarily or permanently

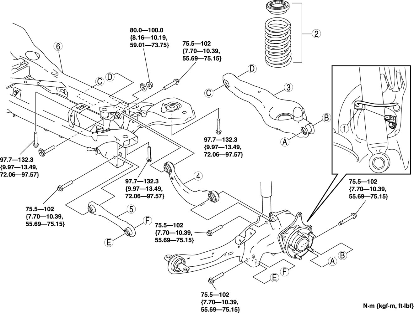
Rear Cross-Member: Service and Repair




REAR CROSSMEMBER REMOVAL/INSTALLATION

CAUTION:
- Performing the following procedures without first removing the ABS wheel-speed sensor may possibly cause an open circuit in the wiring harness if it is pulled by mistake. Before performing the following procedures, disconnect the ABS wheel-speed sensor wiring harness connector (axle side) and fix the wiring harness to an appropriate place where it will not be pulled by mistake while servicing the vehicle.

1. Remove the rear stabilizer. Rear Stabilizer Removal/Installation

2. Remove the charcoal canister. Service and Repair Service and Repair

3. Remove the evaporative emission (EVAP) system leak detection pump. Service and Repair Service and Repair

4. Remove in the order indicated in the table.

5. Install in the reverse order of removal.

6. Inspect the wheel alignment and adjust it if necessary. Rear Wheel Alignment










Rear Crossmember Removal Note

WARNING:
1 Verify that the crossmember is securely supported by a jack. If the rear crossmember falls off, it can cause serious injury or death, and damage to the vehicle.

1. Support the rear crossmember with the jack and remove the bolt.






2. Remove the rear crossmember.