Operation CHARM: Car repair manuals for everyone.
Manuals through 2025 now available!

Our trusted friends have launched a new website named LEMON, which has newer manuals. It also contains all the CHARM manuals.

LEMON is the spiritual successor to CHARM, I recommend you try it!

Link: lemon-manuals.la or lemon-manuals.org.ua

(Some people have issue connecting. LEMON is investigating. For now, use Firefox or change your DNS server)

Or, hide this message: temporarily or permanently

Cylinder Head Assembly: Service and Repair




CYLINDER HEAD GASKET REPLACEMENT [LF, L3]

WARNING:
- Fuel vapor is hazardous. It can very easily ignite, causing serious injury and damage. Always keep sparks and flames away from fuel.
- Fuel line spills and leakage are dangerous. Fuel can ignite and cause serious injuries or death and damage. Fuel can also irritate skin and eyes. To prevent this, always complete the "Fuel Line Safety Procedure". Before Service Precaution

1. Remove the timing chain. Service and Repair

2. Remove the intake manifold. Service and Repair

3. Disconnect the following parts.
a. WU-TWC Service and Repair

b. Radiator upper hose

c. Water hose

d. Heater hose

e. wiring harness

4. To firmly support the engine, first set the engine jack and attachment to the oil pan.






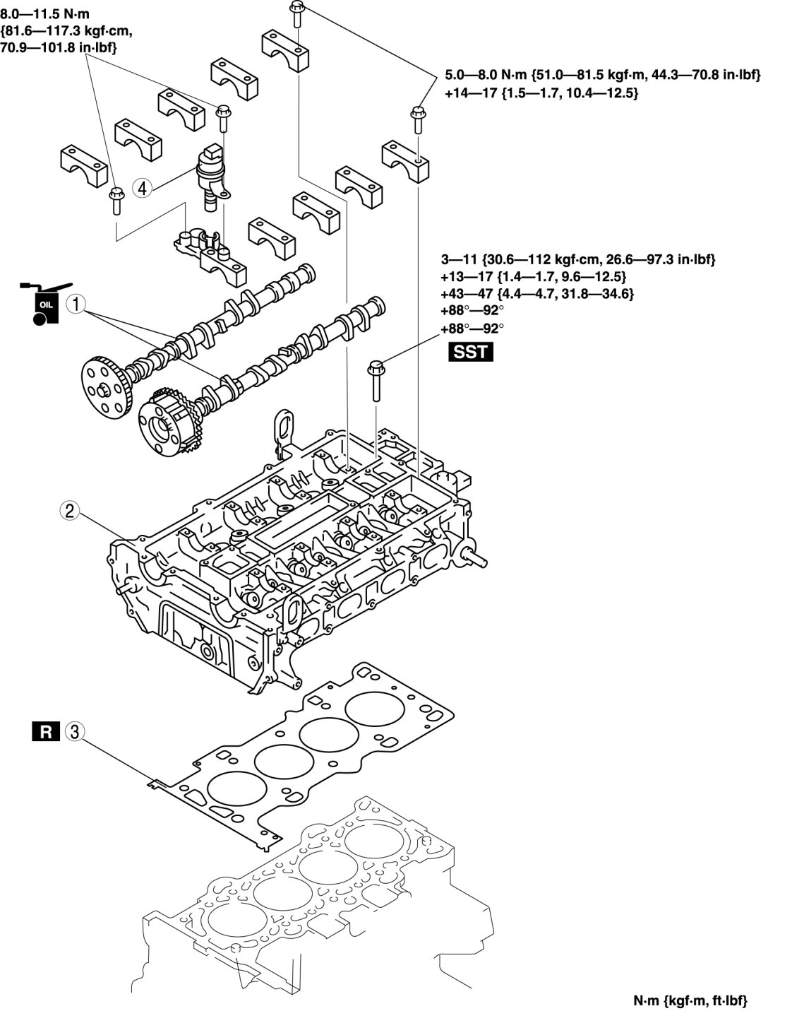
5. Remove in the order indicated in the table.

6. Install in the reverse order of removal.

7. Inspect the compression. Testing and Inspection










Camshaft Removal Note

NOTE:
- The cylinder head and the camshaft caps are numbered to be reassembled in their original position correctly. When removed, keep the caps with the cylinder head they were removed from. Do not mix the caps.

1. Loosen the camshaft cap bolts in 2-3 passes in the order shown in the figure.






Cylinder Head Removal Note

1. Loosen the cylinder head bolts in 2-3 passes in the order shown in the figure.






Cylinder Head Installation Note

1. Measure the length of each cylinder head bolt.

- Replace any that exceeds maximum length.






Cylinder Head Bolt Length L
- 145.2-145.8 mm {5.717-5.740 in}

Cylinder Head Bolt Maximum
- 146.5 mm {5.767 in}

2. Tighten the cylinder head bolts in the order shown with the following 5 steps using the SST (49 D032 316).






Tightening torque
- 3-11 Nm {30.6-112 kgf-cm, 26.6-97.3 in-lbf}
- 13-17 Nm {1.4-1.7 kgf-m, 9.59-12.5 ft-lbf}
- 43-47 Nm {4.4-4.7 kgf-m, 31.8-34.6 ft-lbf}
- 88°-92°
- 88°-92°

Camshaft Installation Note

1. Apply the gear oil (SAE No. 90 or equivalent) to each journal of the cylinder head as shown in the figure.






2. Set the cam position of No.1 cylinder at the top dead center (TDC) and install the camshaft.

3. Apply the gear oil (SAE No. 90 or equivalent) to each journal of the camshaft as shown in the figure.






4. Temporarily tighten the camshaft bearing caps evenly in 2-3 passes.

5. Tighten the camshaft cap bolts in the order shown with the following two steps.






Tighten torque
- 5.0-8.0 Nm {51.0-81.5 kgf-cm, 44.3-70.8 in-lbf}
- 14-17 Nm {1.5-1.7 kgf-m, 10.4-12.5 ft-lbf}