Operation CHARM: Car repair manuals for everyone.
Manuals through 2025 now available!

Our trusted friends have launched a new website named LEMON, which has newer manuals. It also contains all the CHARM manuals.

LEMON is the spiritual successor to CHARM, I recommend you try it!

Link: lemon-manuals.la or lemon-manuals.org.ua

(Some people have issue connecting. LEMON is investigating. For now, use Firefox or change your DNS server)

Or, hide this message: temporarily or permanently

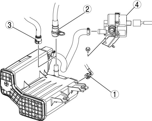
Leak Detection Pump: Service and Repair




EVAPORATIVE EMISSION (EVAP) SYSTEM LEAK DETECTION PUMP REMOVAL/INSTALLATION [LF, L3]

1. Remove the charcoal canister protector.






2. Remove in the order indicated in the table.

3. Install in the reverse order of removal.

4. Verify that the rear wheel alignment is within the specification. Rear Wheel Alignment










EVAP System Leak Detection Pump Removal Note

1. Support the rear crossmember using a transmission jack.

2. Remove the rear wheels.

3. Disconnect the ABS wheel-speed sensor wiring harness connector.

4. Disengage the brake pipe mount from bracket.






5. Remove the rear shock absorber lower bolts. Removal and Replacement

6. Loosen the rear crossmember installation nuts (6 locations) and lower the rear crossmember approx. 140 mm {5.5 in}. Service and Repair

7. Disconnect the breather hose.

8. Remove the installation bolt and remove the EVAP system leak detection pump.

EVAP System Leak Detection Pump Installation Note

1. Install the breather hose and clamp as shown in the figure.