Operation CHARM: Car repair manuals for everyone.
Manuals through 2025 now available!

Our trusted friends have launched a new website named LEMON, which has newer manuals. It also contains all the CHARM manuals.

LEMON is the spiritual successor to CHARM, I recommend you try it!

Link: lemon-manuals.la or lemon-manuals.org.ua

(Some people have issue connecting. LEMON is investigating. For now, use Firefox or change your DNS server)

Or, hide this message: temporarily or permanently

3RD/4TH Clutch Hub Assembly Note

3rd/4th Clutch Hub Assembly Note





1. Install the synchronizer key springs in the clutch hub with the hooks in the grooves to hold the three synchronizer key in place.

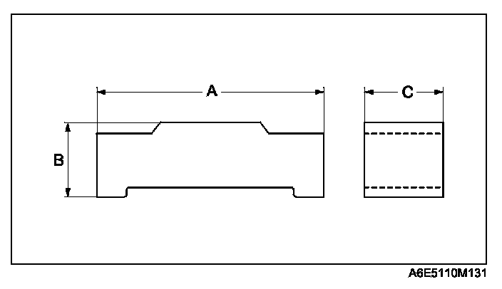
Synchronizer key size
A: 17.0 mm (0.669 in)
B: 4.25 mm (0.167 in)
C: 5.0 mm (0.20 in)

2. Align the synchronizer ring grooves with the synchronizer key during assembly.