Operation CHARM: Car repair manuals for everyone.
Manuals through 2025 now available!

Our trusted friends have launched a new website named LEMON, which has newer manuals. It also contains all the CHARM manuals.

LEMON is the spiritual successor to CHARM, I recommend you try it!

Link: lemon-manuals.la or lemon-manuals.org.ua

(Some people have issue connecting. LEMON is investigating. For now, use Firefox or change your DNS server)

Or, hide this message: temporarily or permanently

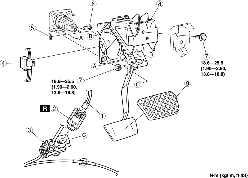
Brake Pedal Assy: Service and Repair




BRAKE PEDAL REMOVAL/INSTALLATION

CAUTION:
- The clearance between the brake switch and the brake pedal is automatically adjusted to the correct amount when the brake switch is inserted into the installation hole on the brake pedal and rotated to fix in place. If the brake switch is not properly installed, the clearance may be incorrect, causing a brake light malfunction. Therefore, always verify that the brake pedal is properly installed and fully released before installing the brake switch to the pedal.
- Once the brake switch clearance has automatically been adjusted, it cannot be adjusted again. Therefore, replace the switch with a new one when replacing the power brake unit or the pedal, or performing any procedure that changes the pedal stroke.

1. Remove the battery and battery tray. Removal and Replacement

2. Remove the battery tray bracket as shown in the figure.






3. Disconnect the brake fluid level sensor connector.

4. Remove the master cylinder reserve tank bracket installation nuts. Service and Repair

5. Remove the accelerator pedal. Service and Repair

6. Remove in the order indicated in the table.

7. Install in the reverse order of removal.










Brake Pedal Removal Note

1. Remove the console panel. Console Panel Removal/Installation

2. Remove the console. Console Removal/Installation

3. Remove the front scuff plate inner. Front Scuff Plate Removal/Installation

4. Remove the front side trim. Front Side Trim Removal/Installation

5. Remove the Glove Compartment. Service and Repair

6. Remove the lower panel. Lower Panel Removal/Installation

7. Remove the hood release lever. Service and Repair

8. Remove the lower panel. Lower Panel Removal/Installation

9. Remove the a-pillar lower trim. A-Pillar Lower Trim Removal/Installation

10. Remove the a-pillar trim. A-Pillar Trim Removal/Installation

11. Remove the dashboard installation bolts and nuts as shown in the figure.






12. Lift up the upper side of the dashboard and move it 20 mm {0.78 in} towards the vehicle rear.






CAUTION:
- If the dashboard is moved towards the vehicle rear excessively, the wiring harness could be damaged. Mark the position and verify the distance when moving the dashboard.

13. Move the power brake unit to the vehicle front where the power brake unit fork does not interfere with the brake pedal arm.

14. Remove the brake pedal.

Brake Switch Installation Note

1. Inspect the brake pedal. Testing and Inspection

2. With the brake pedal fully released, insert a new brake switch into the installation hole on the lock unit.

3. Secure the brake switch by turning it counterclockwise 45°.






Brake Switch Connector Installation Note

1. Inspect the brake pedal.

2. With the brake pedal in its original position, install the brake switch to the brake switch connector.