Operation CHARM: Car repair manuals for everyone.
Manuals through 2025 now available!

Our trusted friends have launched a new website named LEMON, which has newer manuals. It also contains all the CHARM manuals.

LEMON is the spiritual successor to CHARM, I recommend you try it!

Link: lemon-manuals.la or lemon-manuals.org.ua

(Some people have issue connecting. LEMON is investigating. For now, use Firefox or change your DNS server)

Or, hide this message: temporarily or permanently

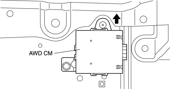
AWD Control Module Removal/Installation




AWD CONTROL MODULE REMOVAL/INSTALLATION

1. Disconnect the negative battery cable.

2. Remove the lower panel (Driver's side). Lower Panel Removal/Installation

3. Remove in the order indicated in the table.

4. Install in the reverse order of removal.










AWD CM Removal Note

1. Push up the AWD CM slightly, and remove it.