Operation CHARM: Car repair manuals for everyone.
Manuals through 2025 now available!

Our trusted friends have launched a new website named LEMON, which has newer manuals. It also contains all the CHARM manuals.

LEMON is the spiritual successor to CHARM, I recommend you try it!

Link: lemon-manuals.la or lemon-manuals.org.ua

(Some people have issue connecting. LEMON is investigating. For now, use Firefox or change your DNS server)

Or, hide this message: temporarily or permanently

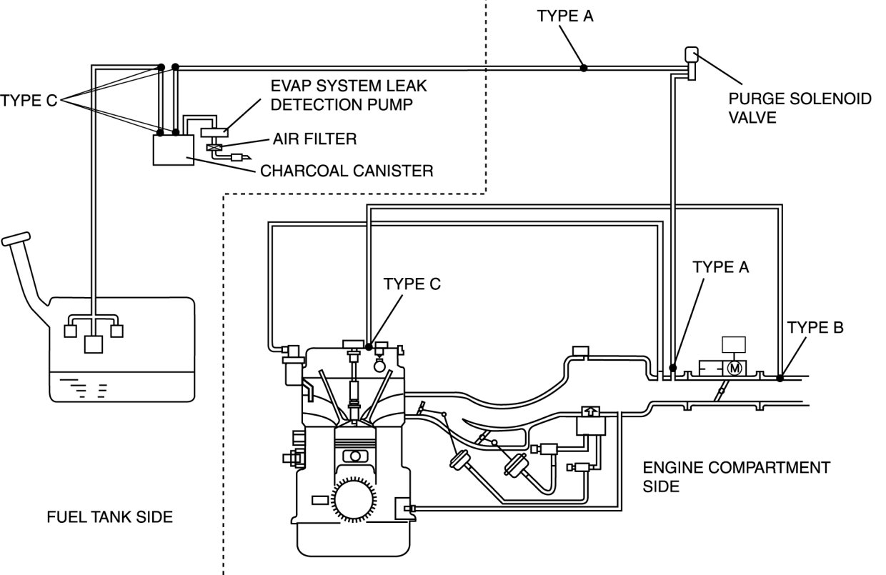
Emission Control Systems: Service and Repair




QUICK RELEASE CONNECTOR (EMISSION SYSTEM) REMOVAL/INSTALLATION [LF]

Quick Release Connector Type

CAUTION:
- There are three types of quick release connectors. Verify the type and location, and install/remove properly.






Type A Removal

CAUTION:
- The quick release connector may be damaged if the release tab is bent excessively. Do not expand the release tab over the stopper.

NOTE:
- The evaporative hose can be removed by pushing it to the evaporative pipe side to release the lock.

1. Rotate the release tab on the quick release connector to the stopper position.
NOTE:
- The retainer is attached to the pipe even after the connector is disconnected.






2. Pull out the evaporative hose straight from the evaporative pipe and disconnect it.






3. Cover the disconnected quick release connector and evaporative pipe with vinyl sheeting or a similar material to prevent it from scratches or dirt.






Type B Removal

1. Squeeze the release tab until the locks are released.
NOTE:
- The retainer has two internal locking tabs which retain the evaporative pipe. Be sure that the squeezing place on the retainer is squeezed until it can be released from the evaporative pipe.

2. Pull the quick release connector straight outward.
NOTE:
- The retainer is attached to the pipe even after the connector is disconnected.






3. Cover the disconnected quick release connector and evaporative pipe with vinyl sheeting or a similar material to prevent it from becoming scratched or dirty.

Type C Removal

CAUTION:
- Be careful not to damage the pipe when unlocking the retainer.

NOTE:
- When removing the quick release connector, either SST 49 E042 001 or 49 N013 103A (Part of 49 N013 1A0D) can be used.

When using SST 49 E042 001

NOTE:
- If the quick release connector is removed, replace the retainer with a new one.

1. Set the SST parallel to the quick release connector.






NOTE:
- The quick release connector can be removed by pushing the center of the retainer tabs.
- The retainer is attached to the pipe even after the connector is disconnected.

2. Hold the center of the retainer tabs with the SST ends and press the retainer.

3. Pull the connector side and disconnect the quick release connector.

4. Raise a retainer tab using the SST and remove the retainer.






5. Cover the disconnected quick release connector and evaporative pipe with vinyl sheeting or a similar material to prevent it from scratches or dirt.

When using SST 49 N013 103A (Part of 49 N013 1A0D)

1. Insert the SST into the quick release connector.






2. Pull out the evaporative hose straight from the evaporative pipe and disconnect it.

3. Cover the disconnected quick release connector and evaporative pipe with vinyl sheeting or a similar material to prevent it from scratches or dirt.

Type A Installation

NOTE:
- If the quick release connector O-ring is damaged or has slipped, replace the evaporative hose.
- A checker tab is integrated with the quick release connector for new evaporative hoses. Remove the checker tab from the quick release connector after the connector is completely engaged with the evaporative pipe.






1. Inspect the evaporative hose and evaporative pipe sealing surface for damage and deformation.

- If there is any malfunction, replace it with a new one.

2. Apply a small amount of clean engine oil to the sealing surface of the evaporative pipe.

3. Reconnect the evaporative hose straight to the evaporative pipe until a click is heard.
NOTE:
- If the quick release connector does not move at all, disconnect it, verify that the O-ring is not damaged or has not slipped, and then reconnect the quick release connector.

4. Lightly pull and push the quick release connector a few times by hand, and then verify that it can move 2.0-3.0 mm {0.08-0.12 in} and is connected securely.

Type B Installation

NOTE:
- If the quick release connector O-ring is damaged or has slipped, replace the evaporative hose.
- When replacing with a new evaporative hose, disengage the release tabs from the join port.
- A checker tab is integrated with the quick release connector for new evaporative hoses. Remove the checker tab from the quick release connector after the connector is completely engaged with the evaporative pipe.






1. When newly replacing the quick release connector, remove the release tab using the following procedure.
a. Widen the retainer lock using a flathead screwdriver, then pull out the release tab from the evaporative pipe and remove it.






2. Inspect the quick release connector and evaporative pipe sealing surface for damage and deformation.

- If there is any malfunction, replace it with a new one.

3. Apply a small amount of clean engine oil to the sealing surface of the evaporative pipe.

4. Reconnect the quick release connector straight to the evaporative pipe until a click is heard.
NOTE:
- If the quick release connector does not move at all, disconnect it, verify that the O-ring is not damaged or has not slipped, and then reconnect the quick release connector.

5. Lightly pull and push the quick release connector a few times by hand, and then verify that it is connected securely.

Type C Installation

CAUTION:
- Always replace the retainer with a new one when using SST 49 E042 001, otherwise, evaporative leakage could result.

NOTE:
- If the quick release connector O-ring is damaged or has slipped, replace the piping component.
- A checker tab is integrated with the quick release connector for new evaporative hoses and evaporative hoses. Remove the checker tab from the quick release connector after the connector is completely engaged with the evaporative pipe.






1. Inspect the evaporative hose and evaporative pipe sealing surface for damage and deformation.

- If there is any malfunction, replace it with a new one.

2. Apply a small amount of clean engine oil to the sealing surface of the evaporative pipe.

3. Install a new retainer to the quick release connector.

4. Reconnect the hose straight to the pipe until a click is heard.

5. Lightly pull and push the quick release connector a few times by hand, and then verify that it is connected securely.