Operation CHARM: Car repair manuals for everyone.
Manuals through 2025 now available!

Our trusted friends have launched a new website named LEMON, which has newer manuals. It also contains all the CHARM manuals.

LEMON is the spiritual successor to CHARM, I recommend you try it!

Link: lemon-manuals.la or lemon-manuals.org.ua

(Some people have issue connecting. LEMON is investigating. For now, use Firefox or change your DNS server)

Or, hide this message: temporarily or permanently

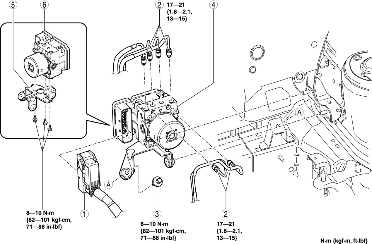
DSC HU/CM Removal/Installation




DSC HU/CM REMOVAL/INSTALLATION

CAUTION:
- The internal parts of the DSC HU/CM could be damaged if dropped. Be careful not to drop the DSC HU/CM. Replace the DSC HU/CM if it is subjected to an impact.
- If the DSC HU/CM configuration is not completed, it could result in an unexpected accident due to the DSC being inoperative. If the DSC HU/CM is replaced, always use the automatic configuration function so that the DSC operation conditions are correct.
- The DSC may not function normally immediately after the DSC HU/CM is replaced. After installation, always perform the initialization procedures for the combined sensor, brake fluid pressure sensor.

NOTE:
- When the ignition is switched to ON or the engine is started after the DSC HU/CM have been replaced, the DSC CM reads data from the instrument cluster via CAN communication to perform automatic configuration.

1. Remove the battery and battery tray. Removal and Replacement Removal and Replacement

2. Remove in the order indicated in the table.

3. Install in the reverse order of removal.

4. Switch the ignition to ON or start the engine, and maintain this condition for approx. 30 s to allow the DSC HU/CM automatic configuration to be performed.

5. Perform the initialization procedures for the combined sensor, brake fluid pressure sensor. Programming and Relearning

6. Clear the DTCs from the memory. On-Board Diagnosis - Dynamic Stability Control (DSC)










Brake Pipe Removal Note

1. Place an alignment mark on the brake pipe and DSC HU/CM.






2. Apply protective tape to the connector to prevent brake fluid from entering.

3. Remove the brake pipe.

DSC HU/CM, Bracket Removal Note

1. As shown in the figure, move the bracket in the direction of the arrow and remove the DSC HU/CM and bracket from the body.






Brake Pipe Installation Note

1. Align the marks made before removal and install the brake pipe into the DSC HU/CM referring to the figure.