Operation CHARM: Car repair manuals for everyone.
Manuals through 2025 now available!

Our trusted friends have launched a new website named LEMON, which has newer manuals. It also contains all the CHARM manuals.

LEMON is the spiritual successor to CHARM, I recommend you try it!

Link: lemon-manuals.la or lemon-manuals.org.ua

(Some people have issue connecting. LEMON is investigating. For now, use Firefox or change your DNS server)

Or, hide this message: temporarily or permanently

Removal and Replacement




AUTOMATIC TRANSAXLE REMOVAL/INSTALLATION [FS5A-EL]

CAUTION:
- Secure the steering wheel using tape or a cable to prevent the steering shaft from rotating after disconnecting the steering shaft. If the steering wheel rotates after the steering shaft and the steering gear and linkage are disconnected, the internal parts of the clock spring could be damaged.

1. Remove the battery cover. Removal and Replacement

2. Disconnect the negative battery cable.

3. Remove the aerodynamic under cover No. 2. Aerodynamic Under Cover No.2 Removal/Installation

4. Remove the front splash shield. Splash Shield Removal/Installation

5. Drain the ATF. Procedures

6. Disconnect and/or remove the following parts in the engine compartment.
a. Remove the battery component (ex: battery, battery tray and PCM component). Removal and Replacement

b. Remove the air cleaner component. Service and Repair

c. Remove the exhaust manifold insulator installation bolts and set the exhaust manifold insulator aside. Service and Repair

d. Disconnect the selector cable from the transaxle.

e. Remove the insulator from the transaxle.






f. Disconnect the connectors and GND wiring harness from the transaxle.

g. Remove the bracket from the transaxle.

h. Disconnect the oil hoses from the transaxle.

i. Remove the water-cooled oil cooler from the transaxle with the hose connected. Removal and Replacement

j. Remove the filler tube from the transaxle.

k. Remove the starter. Removal and Replacement

7. Disconnect and/or remove the following parts related to the suspension and axle.
a. Remove the front tires. Procedures

b. Disconnect the ABS wheel-speed sensors from the steering knuckles. Front - ABS Wheel-Speed Sensor Removal/Installation

c. Disconnect the clip securing the brake hose (LH) from the shock absorber. Brake Hose (Front) Removal/Installation

d. Disconnect the brake hose (LH) from the shock absorber. Brake Hose (Front) Removal/Installation

e. Disconnect the tie-rod end ball joints from the steering knuckles. Service and Repair

f. Disconnect the front lower arms from the steering knuckles. Front Suspension - Lower Arm Removal/Installation

g. Disconnect the stabilizer control links from the shock absorbers. Front Suspension

h. Disconnect the drive shaft (LH) from the transaxle. Drive Shaft Removal/Installation

i. Disconnect the drive shaft (RH) from the joint shaft. Drive Shaft Removal/Installation

j. Disconnect the clips to set the CKP sensor harness out of the way to prevent interference with the joint shaft. (L5).






k. Remove the joint shaft. Joint Shaft Removal/Installation

8. Install the SST using the following procedures.






CAUTION:
- Refer to the SST instruction manual for the basic handing procedure.

a. Remove the installation bolt for the bracket securing the lower radiator hose.






b. Set the bracket securing the lower radiator hose aside to prevent it from interfering with the front shaft of the SST (right side)

c. As shown in the figure, set the rear shafts of the SST to the left and right shock absorber bolts.






d. Install front foot No.2 to the left/right front shaft of the SST, then align the groove of the front shaft of the SST with the folded up part of the vehicle as shown in the figure.






e. Adjust the positions of the SST side bars so that they are the same height (left and right) and horizontal. Make sure each joint is securely tightened.






9. Remove in the order indicated in the table.










WARNING:
- Improperly jacking a transaxle is dangerous. It can slip off the jack and may cause serious injury.

CAUTION:
- To prevent the torque converter and transaxle from separating, remove the transaxle without tilting it toward the torque converter.

10. Install in the reverse order of removal.

11. Add ATF to the specified level. Procedures

12. Perform the following test according to the service item. Mechanical System Test [FS5A-EL] Road Test [FS5A-EL]





x
Test to be performed after the service work

Torque Converter Installation Nuts Removal Note

1. Hold the crankshaft pulley to prevent drive plate from rotating.






2. Remove the torque converter nuts from the starter installation hole.






Transaxle Mounting Bolts (Lower Side) Removal Note

1. Adjust the SST (49 C017 5A0) and lean the engine toward the transaxle.






2. Support the transaxle on a jack.

3. Remove the transaxle mounting bolts (lower side).

4. Remove the transaxle.






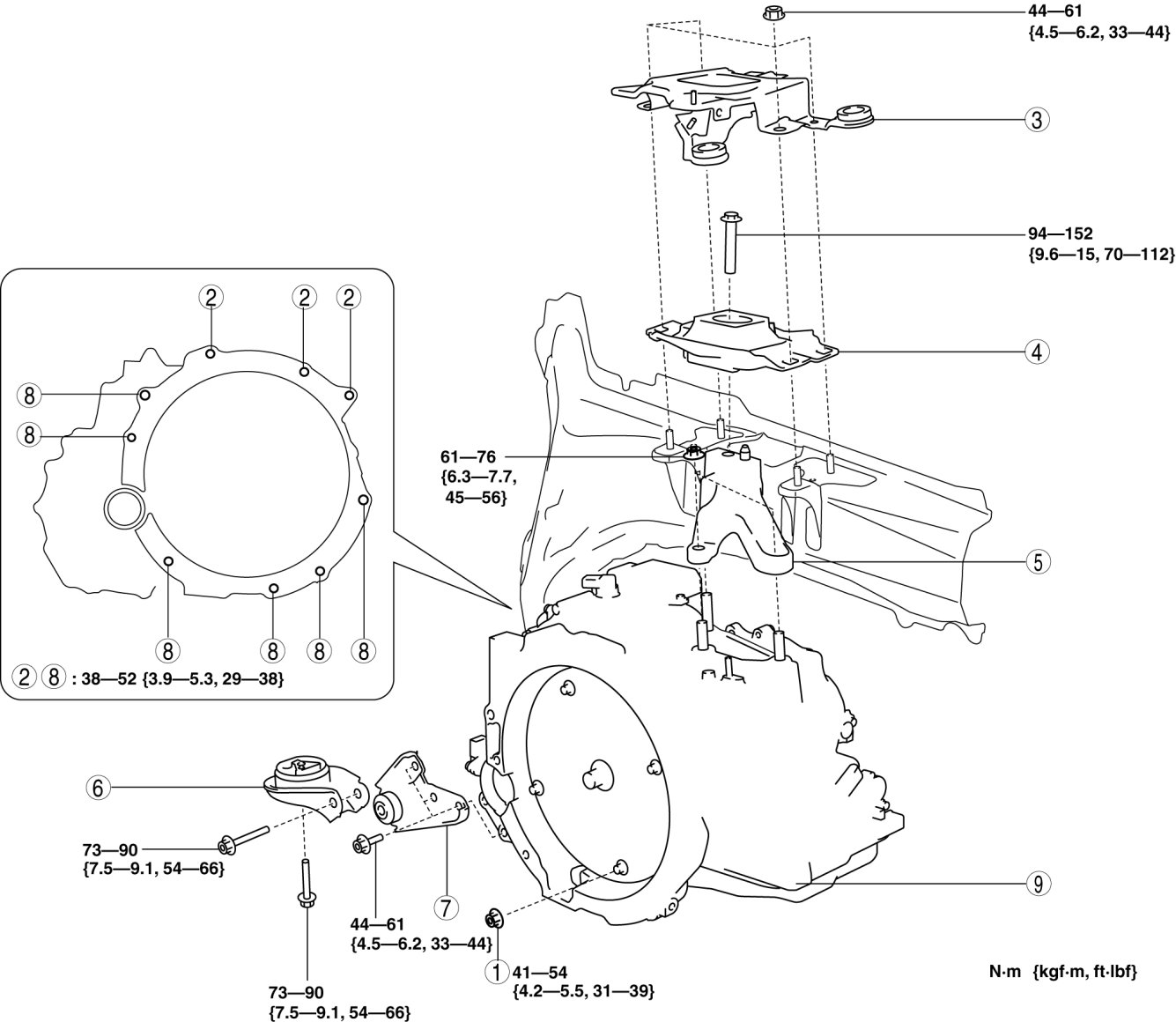
No.1 Engine Mount and No.4 Engine Mount Installation Note

1. Install the No.4 engine mount bracket to the transaxle case, and then tighten the nuts.






Tightening torque
- 61-76 Nm {6.3-7.7 kgf-m, 45-56 ft-lbf}

2. Install the No.1 engine mount bracket to the converter housing, and then tighten the bolts.






Tightening torque
- 44-61 Nm {4.5-6.2 kgf-m, 33-44 ft-lbf}

3. Install the No.1 engine mount rubber to the front crossmember, and then temporarily tighten the bolts.






4. Align the No.4 engine mount rubber installation hole to the stud bolts on the body.






5. Install the No.4 engine mount rubber to the No.4 engine mount bracket, and then tighten the bolt.

Tightening torque
- 94-152 Nm {9.6-15 kgf-m, 70-112 ft-lbf}

6. Tighten the No.1 engine mount rubber installation bolts in the order shown.






Tightening torque
- 73-90 Nm {7.5-9.1 kgf-m, 54-66 ft-lbf}

7. Align the battery tray bracket installation hole to the stud bolts on the body.






8. Install the battery tray bracket to the No.4 engine mount rubber, and then tighten the nuts.

Tightening torque
- 44-61 Nm {4.5-6.2 kgf-m, 33-44 ft-lbf}

9. Remove the SST (49 C017 5A0).