Operation CHARM: Car repair manuals for everyone.
Manuals through 2025 now available!

Our trusted friends have launched a new website named LEMON, which has newer manuals. It also contains all the CHARM manuals.

LEMON is the spiritual successor to CHARM, I recommend you try it!

Link: lemon-manuals.la or lemon-manuals.org.ua

(Some people have issue connecting. LEMON is investigating. For now, use Firefox or change your DNS server)

Or, hide this message: temporarily or permanently

1ST/2ND Clutch Hub Assembly Note

1st/2nd Clutch Hub Assembly Note





1. Install the synchronizer key springs in the clutch hub with the hooks in the grooves to hold the three synchronizer keys in place.

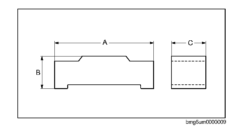
1st/2nd synchronizer key size
A: 19.0 mm (0.748 in)
B: 4.25 mm (0.167 in)
C: 5.0 mm (0.20 in)