Operation CHARM: Car repair manuals for everyone.
Manuals through 2025 now available!

Our trusted friends have launched a new website named LEMON, which has newer manuals. It also contains all the CHARM manuals.

LEMON is the spiritual successor to CHARM, I recommend you try it!

Link: lemon-manuals.la or lemon-manuals.org.ua

(Some people have issue connecting. LEMON is investigating. For now, use Firefox or change your DNS server)

Or, hide this message: temporarily or permanently

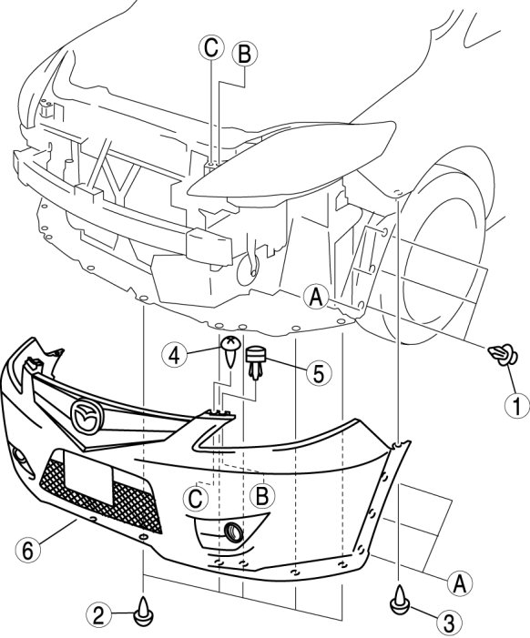
Removal and Replacement




FRONT BUMPER REMOVAL/INSTALLATION

1. Remove the battery cover. Removal and Replacement

2. Disconnect the negative battery cable.

3. Remove in the order indicated in the table.










4. Disconnect the front fog light connector. (Vehicles with front fog lights)

5. Install in the reverse order of removal.

6. Adjust the front fog light aiming for vehicles with front fog lights. Adjustments

Stop Rubber Removal Note

1. Remove stop rubber by inserting a small flathead screwdriver into the service hole as shown in the figure.






Front Bumper Removal Note

1. Pull the front bumper ends (wheel arch) outward (1) to detach from the bumper slider.






CAUTION:
- When disengaging the front bumper from the bumper slider, the front bumper could fall and be damaged. Secure the front bumper so that it does not fall.

2. Remove the front bumper from the body.

Front Bumper Installation Note

1. Spread the front bumper ends apart.

2. Assemble the front bumper to the body.

3. Press the front bumper connecting area into the body to engage with the bumper slider.