Operation CHARM: Car repair manuals for everyone.
Manuals through 2025 now available!

Our trusted friends have launched a new website named LEMON, which has newer manuals. It also contains all the CHARM manuals.

LEMON is the spiritual successor to CHARM, I recommend you try it!

Link: lemon-manuals.la or lemon-manuals.org.ua

(Some people have issue connecting. LEMON is investigating. For now, use Firefox or change your DNS server)

Or, hide this message: temporarily or permanently

Engine Controls - MIL ON/DTC's P0131/P2251

Bulletin No: 01-015/10

Last Issued: 02/15/2010

Subject:
MIL ON WITH DTC P01311 P2251 DUE TO A/F SENSOR HARNESS DAMAGE

APPLICABLE MODEL(S)/VINS

2007-2009 Mazda3 (NOT including Mazdaspeed3)

2007-2010 Mazda5 vehicles with VINS lower than JM1CR******367196 (produced before November 6, 2009)

DESCRIPTION

Some vehicles may experience the MIL on with DTC P0131/P2251 because the A/F sensor connector bracket contacts and damages the sensor harness. To prevent the interference, the shape of the sensor connector bracket has been changed.

DTC P0131: A/F sensor circuit low input

DTC P02251: A/F sensor negative current control circuit open

Customers having this concern should have their vehicle repaired using the following repair procedure.

REPAIR PROCEDURE

1. Verify customer concern.

2. Inspect the A/F sensor harness for damage.

a. If the harness is damaged, bend the sensor harness connector bracket according to the following steps to prevent interference, then replace the A/F sensor with a new one. Refer to Service Bulletin 01-051/09.

b. If the harness is not damaged, this information is not applicable. Refer to MS3 online instructions for troubleshooting procedure.





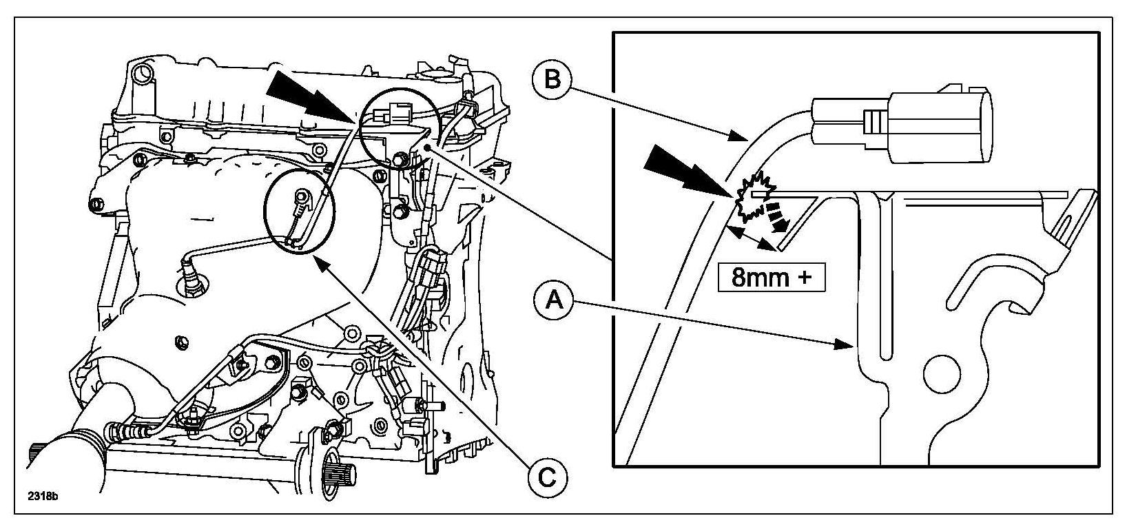
3. Cover the tips of some pliers with vinyl tape (A) to prevent damage (and future risk of rust) to the surface of the bracket.





4. Using the pliers, bend the bracket (A) to make the clearance between the harness (B) and the edge of the bracket 8mm or more.

NOTE:
DO NOT bend the clip (C) to avoid breakage.

5. Verify repair.





PART(S) INFORMATION





WARRANTY INFORMATION

NOTE:

^ This warranty information applies only to verified customer complaints on vehicles eligible for warranty repair.

^ This repair will be covered under Mazda's New Vehicle Limited Warranty term.

^ Additional diagnostic time cannot be claimed for this repair.