Operation CHARM: Car repair manuals for everyone.
Manuals through 2025 now available!

Our trusted friends have launched a new website named LEMON, which has newer manuals. It also contains all the CHARM manuals.

LEMON is the spiritual successor to CHARM, I recommend you try it!

Link: lemon-manuals.la or lemon-manuals.org.ua

(Some people have issue connecting. LEMON is investigating. For now, use Firefox or change your DNS server)

Or, hide this message: temporarily or permanently

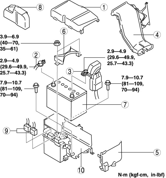
Removal and Replacement




BATTERY REMOVAL/INSTALLATION [L3]

1. Remove in the order indicated in the table.

2. Install in the reverse order of removal.










Battery Cover Removal Note

CAUTION:
- To prevent damage to the clips, remove the battery cover one side at a time.
- When pulling the clips, do not apply excessive force to a clip using the screwdriver or pair of pliers.






1. Remove the battery cover using the following procedure.






a. Pull the clip (LH) in the outward direction and disengage the battery cover tabs.

b. Pull the clip (RH) in the outward direction and disengage the battery cover tabs.

c. Remove the battery cover.

PCM Cover Installation Note

1. Install with the PCM cover hooks B aligned with the PCM box holes at two points.






2. Install the PCM cover to the PCM box hook.






Battery Clamp Installation Note

1. Assemble the battery clamp so that the arrow on it is pointed toward the front of the vehicle.






Battery Box Installation Note

1. Assemble with battery box hooks E aligned with the battery tray holes at two points.






Battery Duct Installation Note

1. Match the mark of the shroud panel and notch in the battery duct, and install the battery duct to the shroud panel.






Battery Cover Installation Note

1. Install the battery duct between the battery cover and the battery box.






2. Install with battery cover hooks A aligned with the battery tray holes at two points.






3. Install with battery cover hooks D aligned with the battery tray flange at four points.






4. Set the battery cover to battery tray clips C at two points.