Operation CHARM: Car repair manuals for everyone.
Manuals through 2025 now available!

Our trusted friends have launched a new website named LEMON, which has newer manuals. It also contains all the CHARM manuals.

LEMON is the spiritual successor to CHARM, I recommend you try it!

Link: lemon-manuals.la or lemon-manuals.org.ua

(Some people have issue connecting. LEMON is investigating. For now, use Firefox or change your DNS server)

Or, hide this message: temporarily or permanently

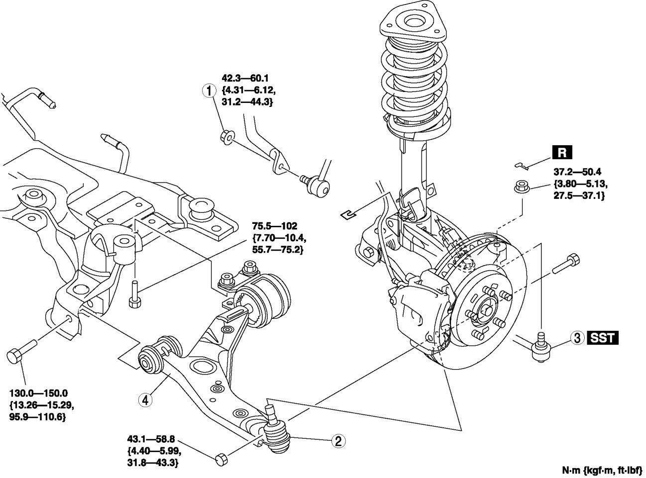
Front Lower Arm Removal/Installation




FRONT LOWER ARM REMOVAL/INSTALLATION

1. Remove in the order indicated in the table.

2. Install in the reverse order of removal.

3. Inspect the wheel alignment and adjust it if necessary. Front Wheel Alignment










Front Lower Arm Removal Note

NOTE:
- Move the engine and transaxle slightly towards the front side of the vehicle so that the engine does not interfere with the removal of the lower arm rear side bolt.

1. Remove the No.1 engine mount center bolt. Removal and Replacement

2. Move the engine and transaxle slightly towards the front side of the vehicle using a jack.

3. Remove the front lower arm rear side bolt.

4. Remove the front lower arm.

Front Lower Arm Installation Note

CAUTION:
- Install the front lower arm according to the following procedures for optimal installation. Tighten the lower arm installation bolt properly when the vehicle is lifted.

1. Temporarily install the front lower arm.

2. Install the No.1 engine mount.

Tightening torque
- 93.1-116.6 Nm {9.50-11.88 kgf-m, 68.67-85.99 ft-lbf}

3. Tighten the front lower arm rear side bolt.

4. Tighten the front lower arm front side bolt.

5. Tighten the nut (front lower arm ball joint).