Operation CHARM: Car repair manuals for everyone.
Manuals through 2025 now available!

Our trusted friends have launched a new website named LEMON, which has newer manuals. It also contains all the CHARM manuals.

LEMON is the spiritual successor to CHARM, I recommend you try it!

Link: lemon-manuals.la or lemon-manuals.org.ua

(Some people have issue connecting. LEMON is investigating. For now, use Firefox or change your DNS server)

Or, hide this message: temporarily or permanently

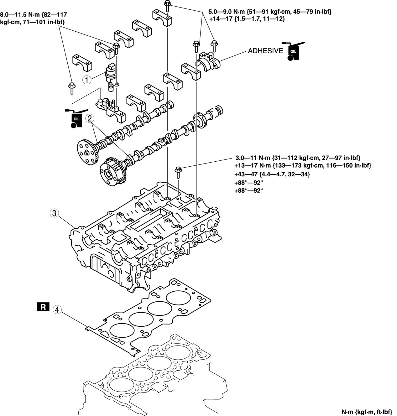
Cylinder Head Assembly

Cylinder Head Installation Note

1. Measure the length of each cylinder head bolt.






- Replace any cylinder head bolts that exceed the maximum length.

Cylinder head bolt length
- Standard: 144.7-145.3 mm {5.697-5.720 in}
- Maximum: 146 mm {5.74 in}






Tightening procedure

- 3.0-11 Nm {31-112 kgf-cm, 27-97 in-lbf}
- 13-17 Nm {133-173 kgf-cm, 116-150 in-lbf}
- 43-47 Nm {4.4-4.7 kgf-m, 32-34 ft-lbf}
- 88°-92°
- 88°-92°



Bolt re-usability
- Replace any cylinder head bolts that exceed the maximum length.


Camshaft Bearing Cap










Camshaft Removal Note

NOTE:
- The camshaft caps are to be kept ordered for correct reassembly in their original positions.

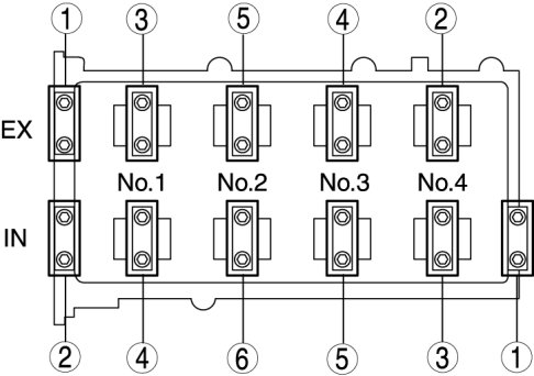
1. Loosen the camshaft cap bolts in two or three passes in the order shown, and remove them.





Intake Manifold Specifications

Exhaust Manifold Specifications

Camshaft Gear/Sprocket Specifications