Operation CHARM: Car repair manuals for everyone.
Manuals through 2025 now available!

Our trusted friends have launched a new website named LEMON, which has newer manuals. It also contains all the CHARM manuals.

LEMON is the spiritual successor to CHARM, I recommend you try it!

Link: lemon-manuals.la or lemon-manuals.org.ua

(Some people have issue connecting. LEMON is investigating. For now, use Firefox or change your DNS server)

Or, hide this message: temporarily or permanently

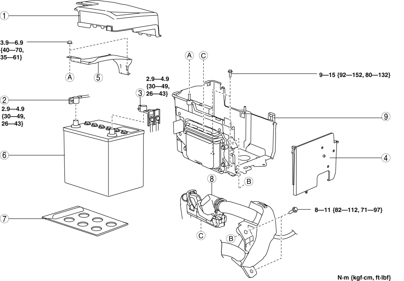
Removal and Replacement





BATTERY REMOVAL/INSTALLATION [SKYACTIV-G 2.0]

1. Remove in the order indicated in the table.

2. Install in the reverse order of removal.









Battery Cover Removal Note

CAUTION:
- To prevent component damage, stand at the front of the vehicle and remove the battery cover one side at a time.
- When pulling the clips, do not apply excessive force to a clip using the screwdriver or pair of pliers.





- If excessive force is applied to the clips, they could be damaged. When removing the battery cover, use the following procedure to prevent damaging the clips.

1. Remove the battery cover using the following procedure.






a. Pull the clip (LH) in the outward direction approx.4 mm {0.2 in} and disengage the battery cover tabs.

b. Pull the clip (RH) in the outward direction approx.4 mm {0.2 in} and disengage the battery cover tabs.

c. Remove the battery cover.

Battery Tray and PCM Component Removal Note

1. Remove the air cleaner component. (See Service and Repair)

2. Remove the battery tray and PCM component.

Battery Stopper Installation Note

1. Assemble the battery stopper so that the arrow on it is pointed toward the front of the vehicle.






Battery Installation Note

CAUTION:
- To prevent damaging the clips on the battery tray, install the battery carefully so that it does not contact the clips.

Battery Clamp Installation Note

1. Assemble the battery clamp so that the arrow on it is pointed toward the front of the vehicle.






Battery Box Installation Note

1. Assemble with battery box hooks E aligned with the battery tray holes at two points.






Battery Cover Installation Note

1. Install with battery cover hook A aligned with the battery tray hole.






2. Set the battery cover to battery tray hooks B at two points.