Operation CHARM: Car repair manuals for everyone.
Manuals through 2025 now available!

Our trusted friends have launched a new website named LEMON, which has newer manuals. It also contains all the CHARM manuals.

LEMON is the spiritual successor to CHARM, I recommend you try it!

Link: lemon-manuals.la or lemon-manuals.org.ua

(Some people have issue connecting. LEMON is investigating. For now, use Firefox or change your DNS server)

Or, hide this message: temporarily or permanently

Part 1


AUTOMATIC TRANSAXLE ASSEMBLY

Structural View

Automatic transaxle 1






Automatic transaxle 2











Automatic transaxle 3






Automatic transaxle 4











Automatic transaxle 5











Automatic transaxle 6






Automatic transaxle 7











Assembly Procedure

1. Assemble the parts in the following order.

NOTE: Assemble the parts in the following order because the parts in the transaxle may be used for measurement/adjustment.

1. Oil pump (See OIL PUMP ASSEMBLY)
2. Clutch component (See CLUTCH COMPONENT ASSEMBLY)
3. Rear planetary gear (See REAR PLANETARY GEAR ASSEMBLY)
4. Reduction planetary gear (See REDUCTION PLANETARY GEAR ASSEMBLY)
5. Secondary gear and output gear (See SECONDARY GEAR AND OUTPUT GEAR ASSEMBLY)
6. Ring gear and differential (See RING GEAR AND DIFFERENTIAL ASSEMBLY)
7. End cover component (See END COVER COMPONENT ASSEMBLY)
8. Control valve body (See CONTROL VALVE BODY ASSEMBLY)

2. If the transaxle case is replaced with a new one, perform the following procedure:






1. Remove the stud bolts.






2. Assemble a new breather pipe to the position shown in the figure.

NOTE: Lightly tap and assemble so as not damage the breather pipe.






A : 25-27 mm {1.0-1.06 in}











3. Assemble the plug and new gasket in the order shown in the figure..

CAUTION: If a gasket is reused it could cause ATF leakage, therefore use a new gasket.

Plug tightening torque
39-59 N.m {4.0-6.0 kgf.m, 29-43 ft.lbf}

4. Assemble a new radial needle bearing using the following procedure:

1. Apply ATF (ATF FZ) to the engagement area of the new radial needle bearing and transaxle case.






2. Assemble the new radial needle bearing to the position shown in the figure using the SSTs.






A : 1.9-2.9 mm {0.08-0.11 in}

3. Install the transaxle case to the SST (engine stand) using the following procedure:






1. Install the SSTs to the transaxle case using the following procedure.

NOTE:
- When installing the SST (49 L010 1A0) to the transaxle case (stud bolt holes), use part number: 9YA02 1440 or M14x1.5 bolts, length to 100 mm {3.94 in}.
- When installing the SST (49 UN30 3050) to the transaxle case, use part number: 9YA02 1015, or M10x1.5 bolts, length to 35 mm {1.4 in}.






1. Temporarily install the arms (49 L010 102) using part number: 9YA02 1440, or M14x1.5 bolts, length to 100 mm {3.94 in}.

A : Part number: 9YA02 1440, or M14x1.5 bolt, length to 100 mm {3.94 in}

NOTE: To adjust the installation position of the SST in Step 3), temporarily tighten the bolts.







2. Assemble the SST (49 L010 1A0).

A : Washer
B : Approx. 20 mm {0.79 in}
C : Approx. 26 mm {1.0 in}
D : Approx. 47 mm {1.9 in}

NOTE: Use bolts (49 L010 105) with a length of 138 mm {5.43 in}.






3. Install the SST assembled in Step 2).

A : Washer
B : Level out

NOTE: Adjust so that the plate (49 L010 101) and arms (49 L010 102) are level, and install.

4. Verify that nothing other than the SST arms (49 L010 102) installation area contacts the transaxle case and breather pipe.

CAUTION: If something other than the SST arms (49 L010 102) installation area contacts the transaxle case and breather pipe, readjust the SST to prevent damaging the part.

5. Tighten the nuts and bolts.

Tightening torque:
- Bolt: Part number: 9YA02 1440, or M14x1.5 bolt, length to 100 mm {3.94 in}
40-52 N.m {4.1-5.3 kgf.m, 30-38 ft.lbf}
- Nut: 49 L010 104
140-160 N.m {15-16 kgf.m, 104-118 ft.lbf}






2. Install the transaxle case to the SST (engine stand) using part number: 9YA02 A220, or M12x1.75 bolts, length to 40 mm {1.6 in}.

CAUTION: For safety purposes, perform the procedure using two people, one installs the transaxle case to the SST and the other supports the transaxle case.

NOTE: Tighten the four locations with bolts and securely install the transaxle case to the SST (engine stand).






A : Part number: 9YA02 A220, or M12x1.75 bolt, length to 40 mm {1.6 in}

Tightening torque
88-118 N.m {9.0-12 kgf.m, 65-87 ft.lbf}

4. Assemble the primary gear using the following procedure:

NOTE: Perform this procedure only if the transaxle case is replaced with a new one.

1. Apply ATF (ATF FZ) to the engagement area of the primary gear and angular contact ball bearing.











2. Assemble the primary gear on the angular contact ball bearing.











3. Install the SSTs.






4. Lock the SST (49 G019 027) against rotation using a flathead screwdriver, tighten the SST (49 G019 029), and assemble the primary gear.











5. Loosen the SST (49 G019 029) and remove the SSTs.

NOTE: Lock the SST (49 G019 027) against rotation using a flathead screwdriver and loosen the SST (49 G019 029).






5. Assemble the washer.
6. Assemble a new oil seal using the following procedure:

CAUTION: If an oil seal is reused it could cause ATF leakage, therefore use a new oil seal.

1. Apply ATF (ATF FZ) to the engagement area of the new oil seal and transaxle case.
2. Apply ATF (ATF FZ) to the lip of the new oil seal.






3. Assemble the new oil seal to the position shown in the figure using the SSTs.






A : -0.3-0.3 mm {-0.01-0.01 in}











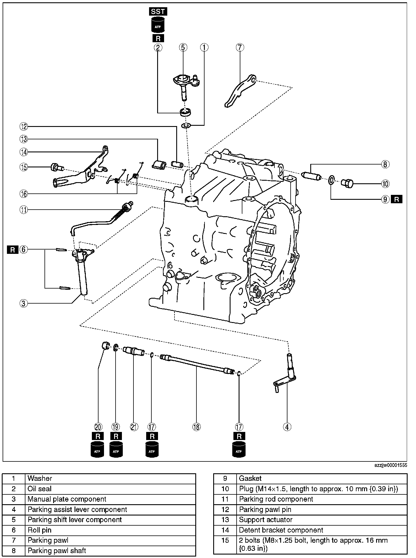
7. Assemble the manual plate component.












8. Assemble the parking assist lever component.

NOTE: Pass the end of the parking assist lever component through the assembly hole of the transaxle case, and assemble it to the manual plate component.











9. Assemble the parking shift lever component.

NOTE: Pass the end of the parking shift lever component through the assembly hole (radial needle bearing) of the transaxle case, and assemble it to the manual plate component.

10. Assemble the new roll pins using the following procedure:






1. Set the manual plate component, parking assist lever component, and the parking shift lever component as shown in the figure and align with the roll pin hole.

A : Roll pin hole
B : Manual plate component
C : Parking assist lever component
D : Parking shift lever component






2. Assemble the new roll pins to the position shown in the figure using a pin punch.

NOTE: Use a pin punch with an end outer diameter of 5 mm {0.197 in} or more.






A : 0-1 mm {0-0.03 in}











11. Assemble the parking pawl.











12. Assemble the parking pawl shaft using the procedure shown in the figure.

CAUTION: If a gasket is reused it could cause ATF leakage, therefore use a new gasket.

NOTE: Pass the parking pawl shaft through the assembly holes of the transaxle case and the parking pawl and assemble.

Plug tightening torque
20-29 N.m {2.1-2.9 kgf.m, 15-21 ft.lbf}

13. Assemble the parking rod component using the following procedure:











1. Align the parking rod component projection to the key hole of the manual plate component and assemble.






2. Rotate the parking rod component as shown in the figure.











14. Assemble the parking pawl pin.











15. Assemble the support actuator.
16. Assemble the detent bracket component using the following procedure:






1. Rotate the parking shift lever component (manual plate component) as shown in the figure.

A : Parking shift lever component
B : Manual plate component