Operation CHARM: Car repair manuals for everyone.
Manuals through 2025 now available!

Our trusted friends have launched a new website named LEMON, which has newer manuals. It also contains all the CHARM manuals.

LEMON is the spiritual successor to CHARM, I recommend you try it!

Link: lemon-manuals.la or lemon-manuals.org.ua

(Some people have issue connecting. LEMON is investigating. For now, use Firefox or change your DNS server)

Or, hide this message: temporarily or permanently

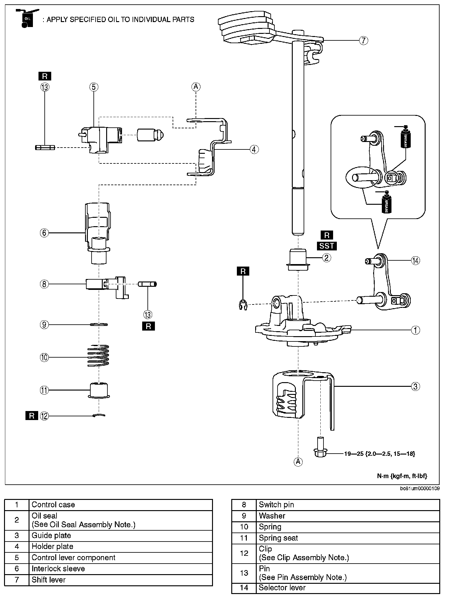
Shift Control Module Assembly

SHIFT CONTROL MODULE ASSEMBLY

1. Assemble the shift control module using the procedure shown in the figure.






Oil Seal Assembly Note






1. Assemble a new oil seal to the control case using the SST.

Clip Assembly Note






1. Move the guide pin to the position shown in the figure for the guide plate.
2. Push down the spring seat by hand.
3. Assemble the clip.

Pin Assembly Note






1. Secure the shift control module in a vise.






2. Align the switch pin and interlock sleeve markings.






3. Assemble a new pin (switch pin) using a punch.






4. Move the control lever component to set the guide pin to the 5GR position of the guide plate.






5. Assemble a new pin (control lever component) using a punch.