Operation CHARM: Car repair manuals for everyone.
Manuals through 2025 now available!

Our trusted friends have launched a new website named LEMON, which has newer manuals. It also contains all the CHARM manuals.

LEMON is the spiritual successor to CHARM, I recommend you try it!

Link: lemon-manuals.la or lemon-manuals.org.ua

(Some people have issue connecting. LEMON is investigating. For now, use Firefox or change your DNS server)

Or, hide this message: temporarily or permanently

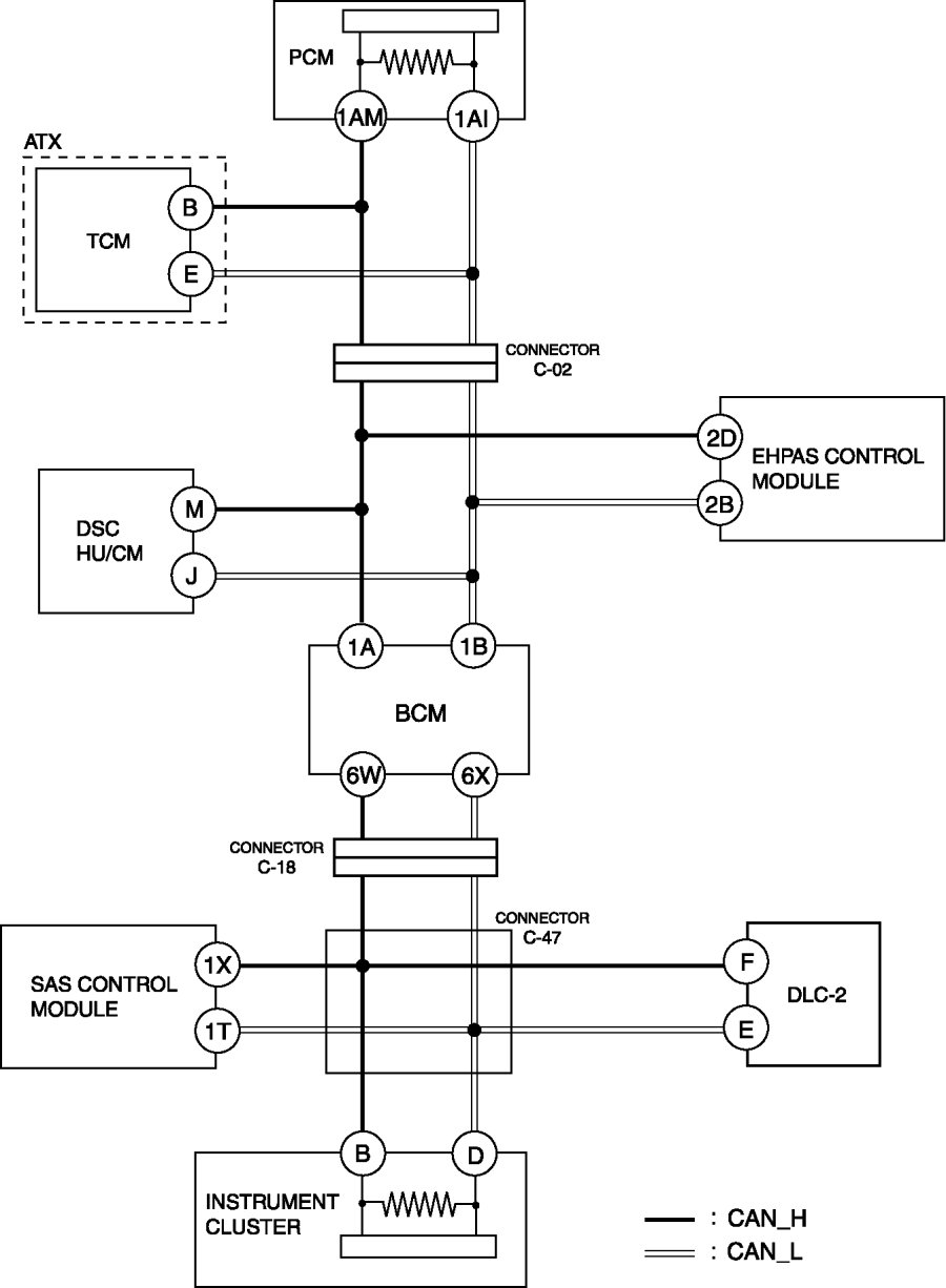
Determining Short Between Circuits Location





DETERMINING SHORT BETWEEN CIRCUITS LOCATION (HS-CAN) [MULTIPLEX COMMUNICATION SYSTEM]

CAUTION:
- First perform the following malfunction diagnosis according to the Initial Inspection and Diagnostic Overview troubleshooting procedure.

System wiring diagram





Determination procedure

CAUTION:
- When disconnecting the connector, verify that there is no looseness, damage, deformation, corrosion, or poor connection of the connector terminals.
- When inspecting the DLC-2, touch it with a paper clip or similar thin pin without directly inserting a tester into the terminals.