Operation CHARM: Car repair manuals for everyone.
Manuals through 2025 now available!

Our trusted friends have launched a new website named LEMON, which has newer manuals. It also contains all the CHARM manuals.

LEMON is the spiritual successor to CHARM, I recommend you try it!

Link: lemon-manuals.la or lemon-manuals.org.ua

(Some people have issue connecting. LEMON is investigating. For now, use Firefox or change your DNS server)

Or, hide this message: temporarily or permanently

Radiator Support: Service and Repair





SHROUD PANEL REMOVAL/INSTALLATION

CAUTION:
- Because the shroud panel is installed to the bumper reinforcement, support the shroud panel using a jack before removing the bumper reinforcement so as not to apply excessive force to the shroud panel.
- Since the servicing is performed with the hood open, secure the hood using a piece of wood to prevent it from falling.

1. Disconnect the negative battery cable.

2. Rotate the hood stay in the direction of the arrow (1),(2) then remove the hood stay in the direction of the arrow (3).






3. Remove the hood stay from the shroud panel, wrap the hood stay with protective tape, and install it to the shown in the figure to support the hood.






4. Remove the following parts:
a. Front bumper Removal and Replacement

b. Front combination lights Service and Repair

c. Front energy-absorbing form Energy-Absorbing Foam Removal/Installation

d. Front bumper reinforcement Bumper Reinforcement Removal/Installation

5. Disconnect the hood latch cable. Service and Repair

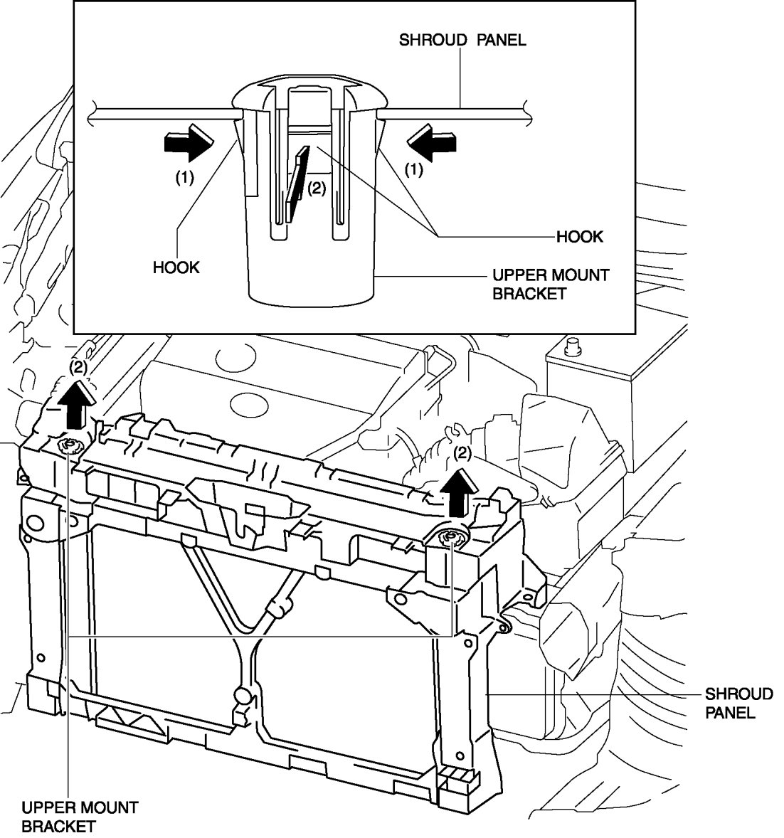
6. Push the hooks in the direction of arrow (1), and remove the upper mount bracket in the direction of the arrow (2).






7. Pull the shroud panel in the direction of arrow (3) in the figure, and remove it in the direction of arrow (4).






CAUTION:
- Support the lower surface of the radiator with a floor jack to prevent the radiator from falling off after the shroud panel is removed.

8. Install in the reverse order of removal.

9. Perform the headlight aiming. Adjustments