Operation CHARM: Car repair manuals for everyone.
Manuals through 2025 now available!

Our trusted friends have launched a new website named LEMON, which has newer manuals. It also contains all the CHARM manuals.

LEMON is the spiritual successor to CHARM, I recommend you try it!

Link: lemon-manuals.la or lemon-manuals.org.ua

(Some people have issue connecting. LEMON is investigating. For now, use Firefox or change your DNS server)

Or, hide this message: temporarily or permanently

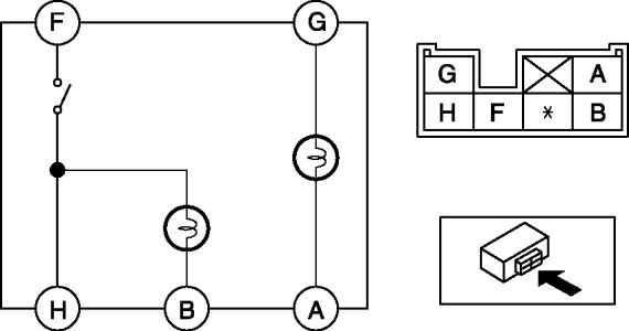
Seat Temperature Switch: Testing and Inspection





SEAT WARMER SWITCH INSPECTION

Left Side

1. Verify that the continuity between the seat warmer switch terminals is as indicated in the table.






- If not as indicated in the table, replace the seat warmer switch. Service and Repair






Right Side

1. Verify that the continuity between the seat warmer switch terminals is as indicated in the table.






- If not as indicated in the table, replace the seat warmer switch. Service and Repair