Operation CHARM: Car repair manuals for everyone.
Manuals through 2025 now available!

Our trusted friends have launched a new website named LEMON, which has newer manuals. It also contains all the CHARM manuals.

LEMON is the spiritual successor to CHARM, I recommend you try it!

Link: lemon-manuals.la or lemon-manuals.org.ua

(Some people have issue connecting. LEMON is investigating. For now, use Firefox or change your DNS server)

Or, hide this message: temporarily or permanently

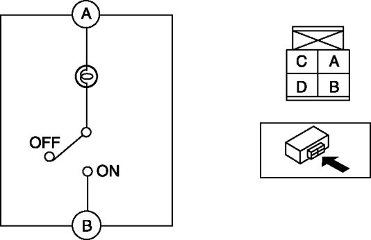
Cargo Lamp: Testing and Inspection





CARGO COMPARTMENT LIGHT INSPECTION

1. Disconnect the negative battery cable.

2. Remove the cargo compartment light. Service and Repair

3. Verify that the continuity between the cargo compartment light terminals is as indicated in the table.











- If not as indicated in the table, replace the cargo compartment light.