Operation CHARM: Car repair manuals for everyone.
Manuals through 2025 now available!

Our trusted friends have launched a new website named LEMON, which has newer manuals. It also contains all the CHARM manuals.

LEMON is the spiritual successor to CHARM, I recommend you try it!

Link: lemon-manuals.la or lemon-manuals.org.ua

(Some people have issue connecting. LEMON is investigating. For now, use Firefox or change your DNS server)

Or, hide this message: temporarily or permanently

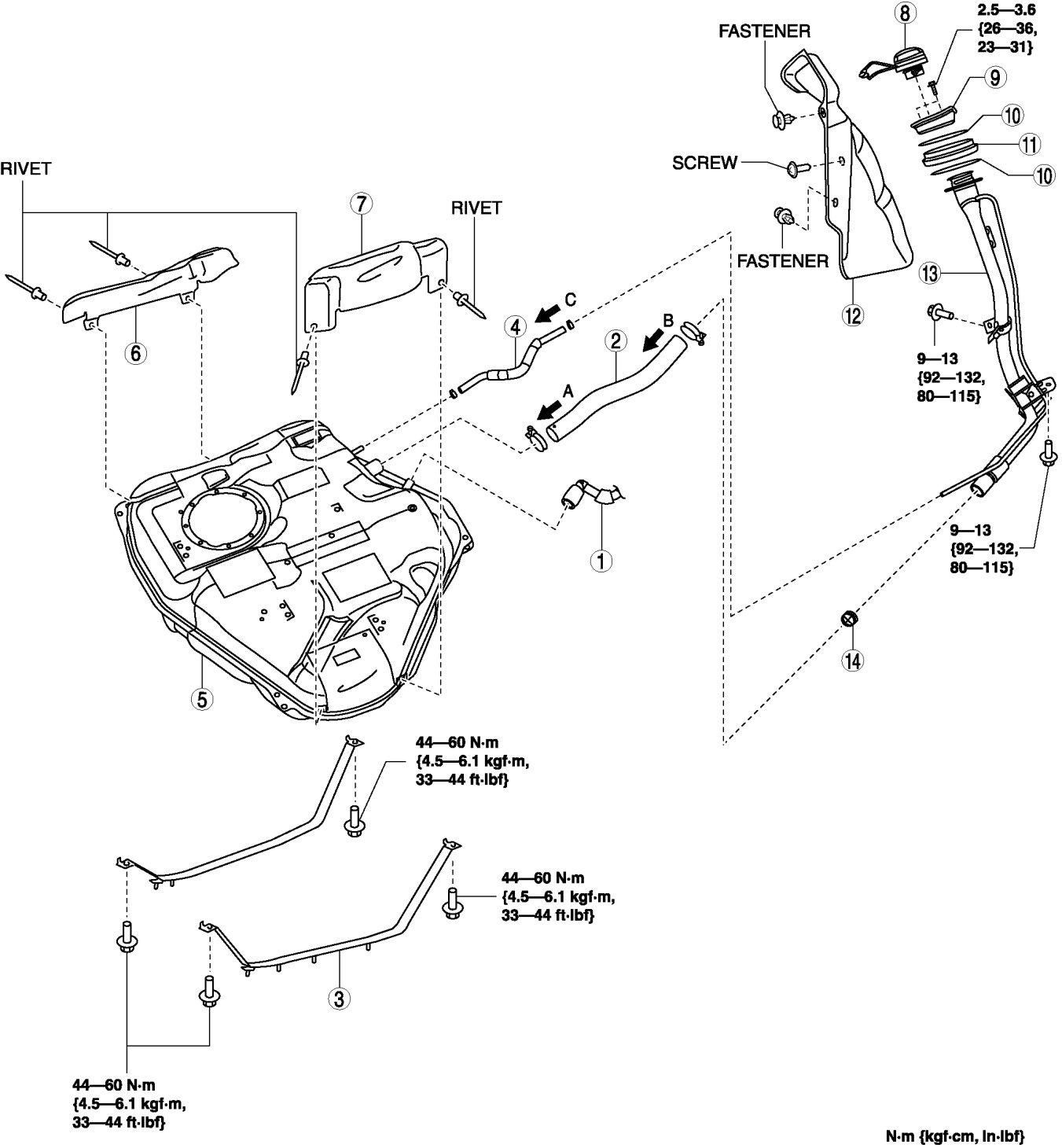
Fuel Tank: Service and Repair





FUEL TANK REMOVAL/INSTALLATION [MZR 2.5]

WARNING:
- Fuel line spills and leakage are dangerous. Fuel can ignite and cause serious injuries or death and damage. Fuel can also irritate skin and eyes. To prevent this, do not damage the sealing surface of the fuel pump unit when removing or installing.
- A person charged with static electricity could cause a fire or explosion, resulting in death or serious injury. Before draining fuel, make sure to discharge static electricity by touching the vehicle body.

CAUTION:
- Disconnecting/connecting the quick release connector without cleaning it may cause damage to the fuel pipe and quick release connector. Always clean the quick release connector joint area before disconnecting/connecting using a cloth or soft brush, and make sure that it is free of foreign material.

1. Level the vehicle.

2. Complete the "BEFORE SERVICE PRECAUTION". Before Service Precaution

3. Disconnect the quick release connector. Quick Release Connector Removal/Installation






4. Connect a long hose to the disconnected quick release connector and drain the fuel into a container used for collecting gasoline.

5. Drain the fuel from the fuel tank using the following procedure:

Using M-MDS
- Connect the M-MDS to the DLC-2.
- Using the simulation function "FP", start the fuel pump. On-Board Diagnostic Test

Without using M-MDS
- Remove the battery cover. Removal and Replacement
- Disconnect the negative battery cable. Removal and Replacement
- Remove the fuel pump relay.






CAUTION:
- Short the specified terminals because shorting the wrong terminal of the relay and fuse block may cause malfunctions.

- Using a jumper wire, short fuel pump relay terminals C and D in the relay and fuse block.





- Connect the negative battery cable and operate the fuel pump. Removal and Replacement

CAUTION:
- The fuel pump could be damaged if it is operated while there is no fuel in the fuel tank. Verify the amount of fuel being discharged from the hose and stop operation of the fuel pump when essentially no fuel is being discharged.

6. Stop the fuel pump using the following procedure.

Using M-MDS
- Using the simulation function "FP", stop the fuel pump. On-Board Diagnostic Test
- Disconnect the negative battery cable. Removal and Replacement

Without using M-MDS
- Disconnect the negative battery cable to stop the fuel pump. Removal and Replacement

7. Remove the second-row seat. Rear - Second-Row Seat Removal/Installation

8. Remove the rear package tray lid. Service and Repair

9. Remove the sub-trunk. Sub-Trunk Removal/Installation

10. Remove the third-row seat. Rear - Third-Row Seat Removal/Installation

11. Remove the rear scuff plate. Rear Scuff Plate Removal/Installation

12. Partially peel back the floor covering.

13. Remove the service hole cover.






14. Disconnect the fuel pump unit connector.

15. Disconnect the quick release connector. Quick Release Connector Removal/Installation

16. Remove the fuel pump unit. Removal and Replacement

17. Remove the TWC. Service and Repair

18. Remove the insulator (No.2) and insulator (No.3). Service and Repair

19. Remove in the order indicated in the table.

20. Install in the reverse order of removal.

21. Complete the "AFTER SERVICE PRECAUTION". After Service Precaution









Breather Hose Removal Note

1. Disconnect the breather hose from the fuel-filler pipe side.

2. Remove the fuel tank and breather hose as a single unit.

3. Remove the breather hose.

Protector Removal Note

CAUTION:
- Be careful not to damage the fuel tank when removing the rivet. If the fuel tank is damaged, it may cause fuel leakage.

NOTE:
- When reinstalling the rivet, install the same rivet or M5 bolt and nut.

1. Push out the mandrel using a hammer and punch (2-2.8 mm {0.08-0.11 in} diameter).






2. Remove the flange using a drill (5 mm {0.20 in} drill bit).






Fuel-filler Pipe Removal Note

1. Remove the fuel-filler pipe and air filter and evaporative hoses as a single unit.

2. Remove the fuel-filler pipe.

Breather Hose Installation Note

1. Install the breather hose as shown in the figure.






Joint Hose Installation Note

1. Install the joint hose as shown in the figure.