Automatic Transaxle Removal/Installation
AUTOMATIC TRANSAXLE REMOVAL/INSTALLATION [FS5A-EL]
CAUTION:
- If the steering wheel rotates after the steering shaft and the steering gear and linkage are disconnected, the internal parts of the clock spring could be damaged. Secure the steering wheel using tape or a cable to prevent the steering shaft from rotating after disconnecting the steering shaft.
1. Remove the battery cover. Removal and Replacement
2. Disconnect the negative battery cable.
3. Remove the aerodynamic under cover. Service and Repair
4. Remove the front splash shield. Service and Repair
5. Drain the ATF. Automatic Transaxle Fluid (ATF) Replacement
6. Perform disconnection/removal of the parts around the engine.
a. Remove the battery. Removal and Replacement
b. Remove the battery tray. Removal and Replacement
c. Remove the air cleaner component. Service and Repair
d. Remove the windshield wiper arm and blade. Windshield Wiper Arm And Blade Removal/Installation
e. Remove the cowl grille. Cowl Grille Removal/Installation
f. Remove the cowl panel. Cowl Panel Removal/Installation
g. Protect the windshield using tape.
h. Disconnect the exhaust manifold from the hanger rubber and set it out of the way.
i. Disconnect the selector cable from the transaxle. Automatic Transaxle Shift Mechanism Removal/Installation
j. Remove the insulator from the transaxle.
k. Disconnect the connector and wiring harness from the transaxle.
l. Remove the bracket from the transaxle.
m. Disconnect the oil hose from the transaxle. Removal and Replacement
n. Disconnect the oil cooler from the transaxle with the water hose connected, and set it out of the way.
o. Remove the oil filler tube.
p. Remove the starter. Removal and Replacement
7. Perform disconnection/removal of the parts around the front axle.
a. Remove the front wheels and tires. Procedures
b. Disconnect the ABS wheel speed sensor from the steering knuckle. Front
c. Disconnect the brake hose from the shock absorber. Brake Hose (Front) Removal/Installation
d. Disconnect the tie-rod end from the steering knuckle. Removal and Replacement
e. Disconnect the front lower arm from the steering knuckle. Removal and Replacement
f. Disconnect the stabilizer control link from the shock absorber. Removal and Replacement
g. Disconnect the drive shaft (LH) from the transaxle. Drive Shaft Removal/Installation
h. Disconnect the drive shaft (RH) from the joint shaft. Drive Shaft Removal/Installation
i. Remove the joint shaft. Joint Shaft Removal/Installation
8. Install the SST using the following procedure.
CAUTION:
- For the basic SST operation, refer to the instruction manual supplied with the SST.
a. Install the front foot No.2 to the left and right front shafts of the SST.
b. Remove the plug hole plate. Service and Repair
c. Remove the No.1 reserve tank installation nuts.
d. Disconnect the No.1 reserve tank with the hose connected, and set it out of the way.
e. As shown in the figure, set the rear shafts of the SST to the left and right shock absorber upper bolts.
f. As shown in the figure, set the front foot No.2 groove of the SST to the folded part of the left and right body frames.
g. Adjust the height of the left and right side bars of the SST so that they are leveled, then tighten each part.
h. Apply tension to the chain to secure the engine.
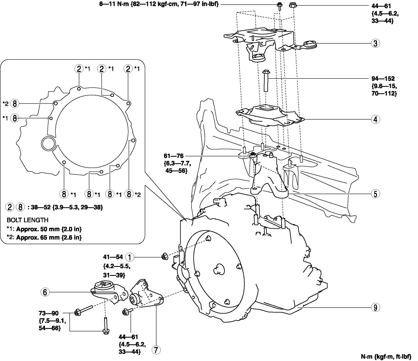
9. Remove in the order shown in the figure.
WARNING:
- Do not allow the transaxle to fall off the transmission jack.
CAUTION:
- Do not tilt the transaxle to the torque converter side when removing it so that the torque converter and transaxle do not separate.
10. Install in the reverse order of removal.
11. Add ATF. Automatic Transaxle Fluid (ATF) Replacement
12. Perform the following tests: Mechanical System Test Road Test
x
Test after servicing each item
Torque Converter Installation Nut Removal Note
1. Fix the crankshaft pulley to lock the torque converter against rotation.
2. Remove the torque converter installation nut from the starter installation hole.
Transaxle Removal Note
1. Adjust the SST to tilt the engine to the transaxle side.
2. Support the transaxle using a transmission jack.
3. Remove the transaxle installation bolts.
4. Remove the transaxle.
Transaxle Installation Note
CAUTION:
- Verify that the torque converter stud bolts are inserted into the drive plate bolt holes, and install the transaxle installation bolts. Otherwise, the drive plate could be damaged.
1. Verify that the torque converter stud bolts are inserted into the drive plate bolt holes from the starter installation hole.
2. Tighten the transaxle installation bolts.
Bolt length
- Bolt A: approx. 50 mm {2.0 in}
- Bolt B: approx. 65 mm {2.6 in}
Tightening torque
- 38-52 Nm {3.9-5.3 kgf-m, 29-38 ft-lbf}
No.1 Engine Mount, No.4 Engine Mount Installation Note
1. Install the No.4 engine mount bracket to the transaxle case.
2. Install the No.1 engine mount bracket to the converter housing.
3. Install the No.1 engine mount rubber and temporarily tighten the bolts shown in the figure.
Bolt length
- Front crossmember side: approx. 62 mm {2.4 in}
- No.1 engine mount bracket side: approx. 65 mm {2.6 in}
4. Insert the No.4 engine mount rubber into the stud bolt of the body and tighten the bolt shown in the figure.
5. Completely tighten the No.1 engine mount rubber bolts in the order shown in the figure.
6. Insert the battery tray bracket into the stud bolt of the body from the upper side of the No.4 engine mount rubber, and tighten the nuts.
7. Remove the SST (49 C017 5A0).
Torque Converter Installation Nut Installation Note
1. Fix the crankshaft pulley to lock the torque converter against rotation.
CAUTION:
- After temporarily tightening the torque converter installation nut uniformly, tighten it to the specified torque.
2. Tighten the torque converter installation nut.
Tightening torque
- 41-54 Nm {4.2-5.5 kgf-m, 31-39 ft-lbf}