Operation CHARM: Car repair manuals for everyone.
Manuals through 2025 now available!

Our trusted friends have launched a new website named LEMON, which has newer manuals. It also contains all the CHARM manuals.

LEMON is the spiritual successor to CHARM, I recommend you try it!

Link: lemon-manuals.la or lemon-manuals.org.ua

(Some people have issue connecting. LEMON is investigating. For now, use Firefox or change your DNS server)

Or, hide this message: temporarily or permanently

Cylinder Head Assembly: Service and Repair





CYLINDER HEAD GASKET REPLACEMENT [MZR 2.5]

WARNING:
- Fuel vapor is hazardous. It can very easily ignite, causing serious injury and damage. Always keep sparks and flames away from fuel.
- Fuel line spills and leakage are dangerous. Fuel can ignite and cause serious injuries or death and damage. Fuel can also irritate skin and eyes. To prevent this, always complete the "Fuel Line Safety Procedure". Before Service Precaution

1. Remove the timing chain. Service and Repair

2. Remove the generator, but do not remove it from the vehicle. Fix the generator using a rope to prevent it from falling. Removal and Replacement

3. Remove the exhaust manifold. Service and Repair

4. Drain the engine coolant. Service and Repair

5. Remove the intake manifold. Service and Repair

6. Disconnect the following parts.
a. Radiator upper hose

b. Water hose

c. Heater hose

d. Wiring harness

7. To firmly support the engine, first set the engine jack to the oil pan.






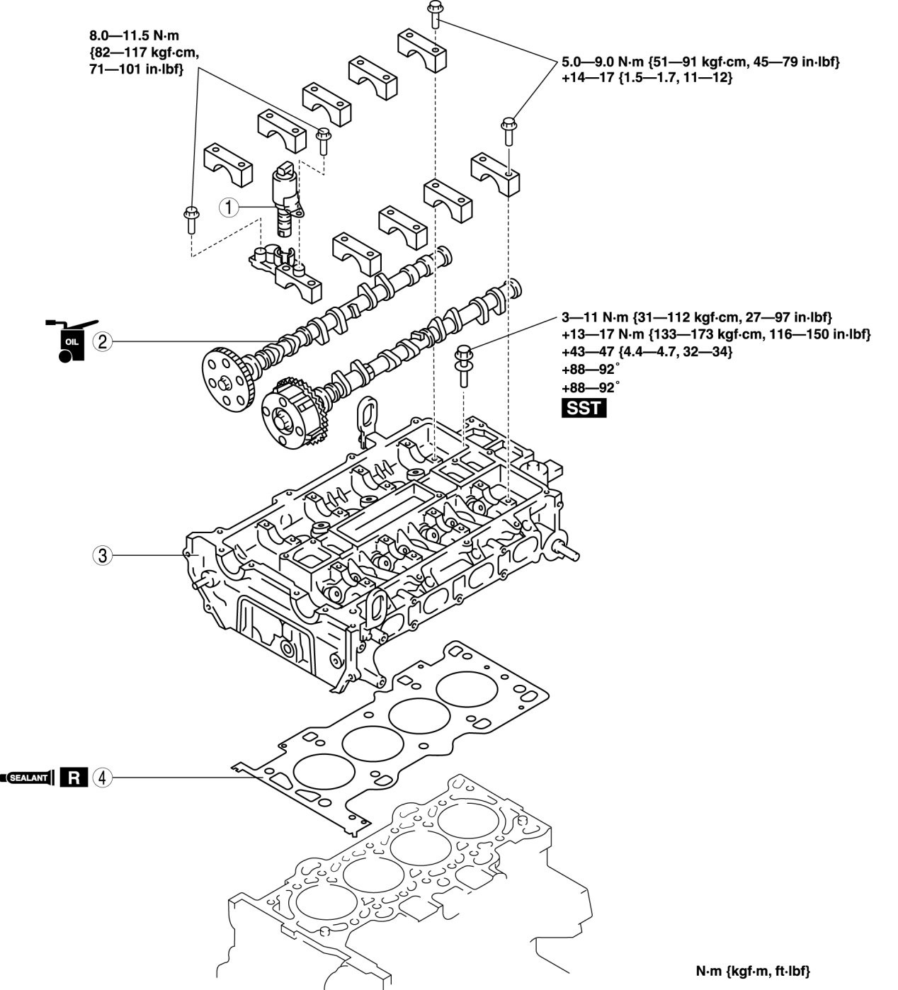
8. Remove in the order indicated in the table.

9. Install in the reverse order of removal.

10. Inspect the compression. Testing and Inspection









Camshaft Removal Note

NOTE:
- The cylinder head and the camshaft caps are numbered to be reassembled in their original position correctly. When removed, keep the caps with the cylinder head they were removed from. Do not mix the caps.

1. Loosen the camshaft cap bolts in 2-3 steps in the order shown in the figure.






Cylinder Head Removal Note

1. Loosen the cylinder head bolts in 2-3 steps in the order shown in the figure.






Cylinder Head Gasket Installation Note

1. Apply silicone sealant to the areas shown in the figure.

CAUTION:
- Install the cylinder head gasket and cylinder head before the applied silicone sealant starts to harden.





Thickness
- 4-7 mm {0.16-0.27 in}

2. Install the cylinder block with a new cylinder head gasket.

3. Apply silicone sealant to the areas shown in the figure.






Thickness
- 4-7 mm {0.16-0.27 in}

4. Install the cylinder head referring to the Cylinder Head Installation Note.

Cylinder Head Installation Note

1. Measure the length of each cylinder head bolt.

- Replace any that exceeds maximum length.





Cylinder Head Bolt Length L
- 145.2-145.8 mm {5.717-5.740 in}

Cylinder Head Bolt Maximum
- 146.5 mm {5.767 in}

2. Tighten the cylinder head bolts in the order shown in the following 5 steps using the SST (49 D032 316).





Tightening torque
- 3-11 Nm {31-112 kgf-cm, 27-97 in-lbf}
- 13-17 Nm {133-173 kgf-cm, 116-150 in-lbf}
- 43-47 Nm {4.4-4.7 kgf-m, 32-34 ft-lbf}
- 88-92°
- 88-92°

Camshaft Installation Note

1. Apply the gear oil (SAE No.90 or equivalent) to each journal of the cylinder head as shown in the figure.






2. Set the cam position of No.1 cylinder at the top dead center (TDC) and install the camshaft.

3. Apply the gear oil (SAE No.90 or equivalent) to each journal of the camshaft as shown in the figure.






4. Temporarily tighten the camshaft cap bolts evenly in 2-3 steps.

5. Tighten the camshaft cap bolts in the order shown in the following two steps.





Tightening torque
- 5.0-9.0 Nm {51-91 kgf-cm, 45-79 in-lbf}
- 14-17 Nm {1.5-1.7 kgf-m, 11-12 ft-lbf}