Operation CHARM: Car repair manuals for everyone.
Manuals through 2025 now available!

Our trusted friends have launched a new website named LEMON, which has newer manuals. It also contains all the CHARM manuals.

LEMON is the spiritual successor to CHARM, I recommend you try it!

Link: lemon-manuals.la or lemon-manuals.org.ua

(Some people have issue connecting. LEMON is investigating. For now, use Firefox or change your DNS server)

Or, hide this message: temporarily or permanently

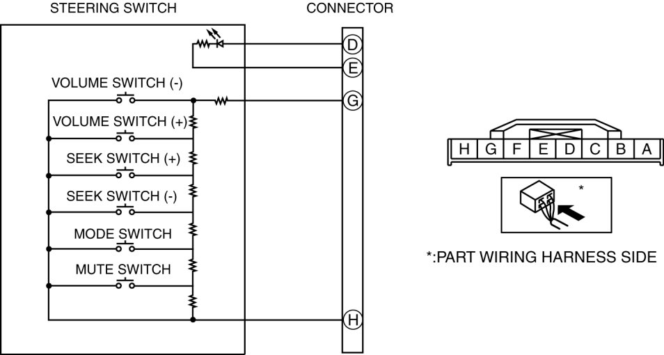
Steering Mounted Controls Assembly: Testing and Inspection





STEERING SWITCH INSPECTION

Without Bluetooth System

1. Disconnect the negative battery cable and wait for 1 min or more.

2. Remove the driver-side air bag module. Driver-Side Air Bag Module Removal/Installation

3. Disconnect the steering switch connector.

4. Verify the resistance between the steering switch terminals.






- If not within the specification, replace the steering switch.






5. Apply battery positive voltage to steering switch terminal D, and connect terminal E to ground.






6. Verify that the LED illuminates.

- If the LED does not illuminate, replace the steering switch.

With Bluetooth System

1. Disconnect the negative battery cable and wait for 1 min or more.

2. Remove the driver-side air bag module. Driver-Side Air Bag Module Removal/Installation

3. Disconnect the steering switch connector.

4. Verify the resistance between the steering switch terminals.






- If not within the specification, replace the steering switch.











5. Apply battery positive voltage to steering switch terminal D, and connect terminal E to ground.






6. Verify that the LED illuminates.

- If the LED does not illuminate, replace the steering switch.