Operation CHARM: Car repair manuals for everyone.
Manuals through 2025 now available!

Our trusted friends have launched a new website named LEMON, which has newer manuals. It also contains all the CHARM manuals.

LEMON is the spiritual successor to CHARM, I recommend you try it!

Link: lemon-manuals.la or lemon-manuals.org.ua

(Some people have issue connecting. LEMON is investigating. For now, use Firefox or change your DNS server)

Or, hide this message: temporarily or permanently

Multiplex Communication System





M-MDS AND VEHICLE NOT COMMUNICATING [MULTIPLEX COMMUNICATION SYSTEM]

CAUTION:
- Perform the following on-board diagnosis according to Initial Inspection and Diagnostic Overview troubleshooting procedure.

Detection Condition

- Possible causes of communication errors between the M-MDS and vehicle include communication circuit interruption due to an open circuit in the CAN communication wiring harness, or poor contact of connector terminals, or a BUS OFF condition due to a short circuit in the CAN communication wiring harness.

Possible Causes

- Open circuit in wiring harness between PCM and DLC-2
- Improper insertion of PCM, BCM, connector C-06 or C-27 damage, deformation, corrosion, or disconnection of connector terminals
- Short circuit in wiring harness between CAN system-related module CAN_L and CAN_H lines
- Short circuit to power supply in wiring harness between CAN system-related module
- Short circuit to ground in wiring harness between CAN system-related module
- Short circuit to power supply in CAN system-related module internal CAN lines
- Short circuit to ground in CAN system-related module internal CAN lines
- Damage, deformation, corrosion, or disconnection of DLC-2
- PCM power supply is not normal
- PCM ground is not normal
- PCM internal resistance is not normal
- CAN system-related module malfunction

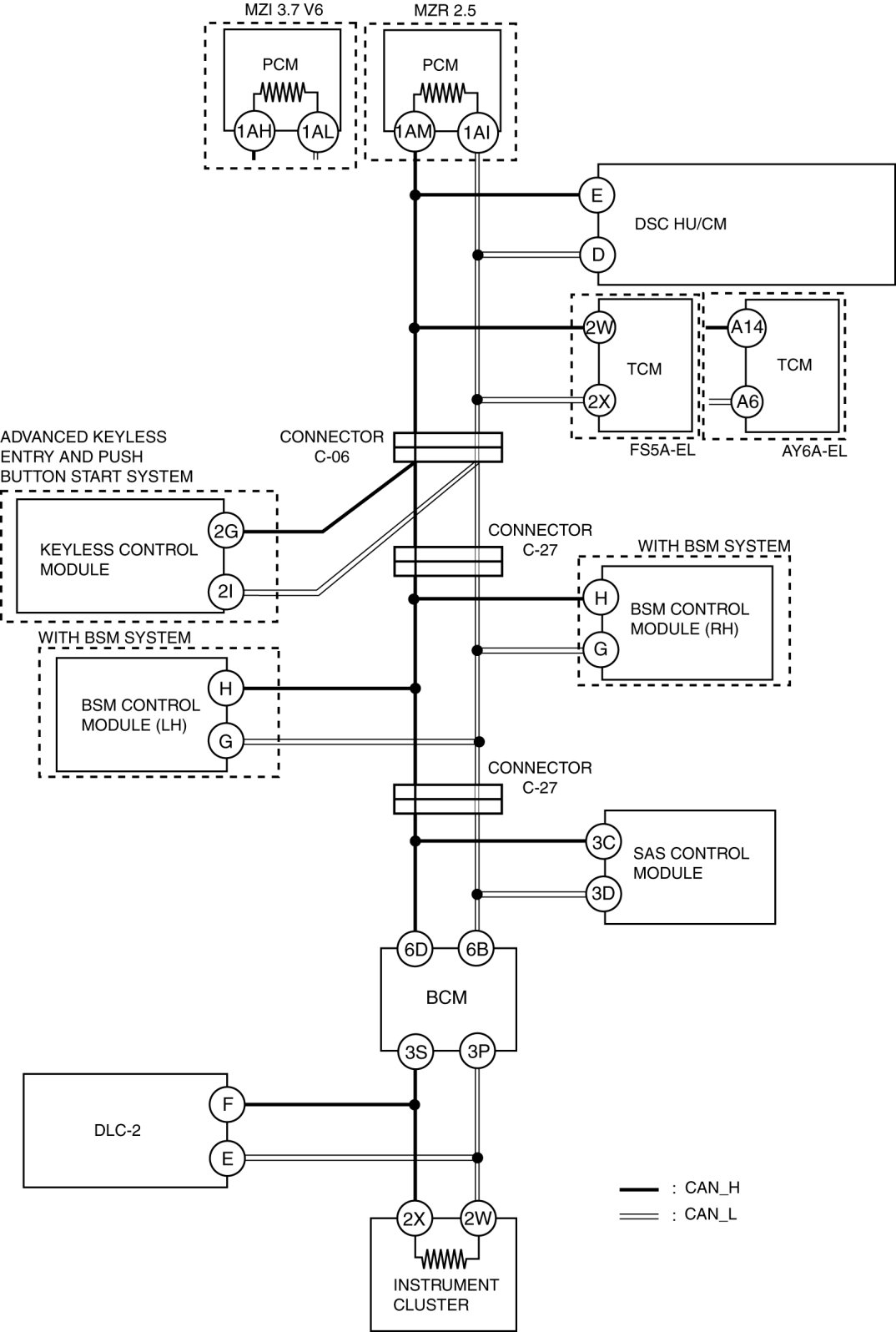
Wiring Diagram





Diagnostic Procedure

CAUTION:
- When disconnecting the connector, verify that there is no looseness, damage, deformation, corrosion, or poor connection of the connector terminals.