Operation CHARM
: Car repair manuals for everyone.
Home
>>
Mazda
>>
2012
>>
6 V6-3.7L
>>
Repair and Diagnosis
>>
Brakes and Traction Control
>>
Antilock Brakes / Traction Control Systems
>>
Testing and Inspection
>>
Scan Tool Testing and Procedures
>>
System Wiring Diagram
Manuals through 2025 now available!
Our trusted friends have launched a new website named LEMON, which has newer manuals. It also contains all the CHARM manuals.
LEMON is the spiritual successor to CHARM, I recommend you try it!
Link:
lemon-manuals.la
or
lemon-manuals.org.ua
(Some people have issue connecting. LEMON is investigating. For now, use Firefox or change your DNS server)
Or, hide this message:
temporarily
or
permanently
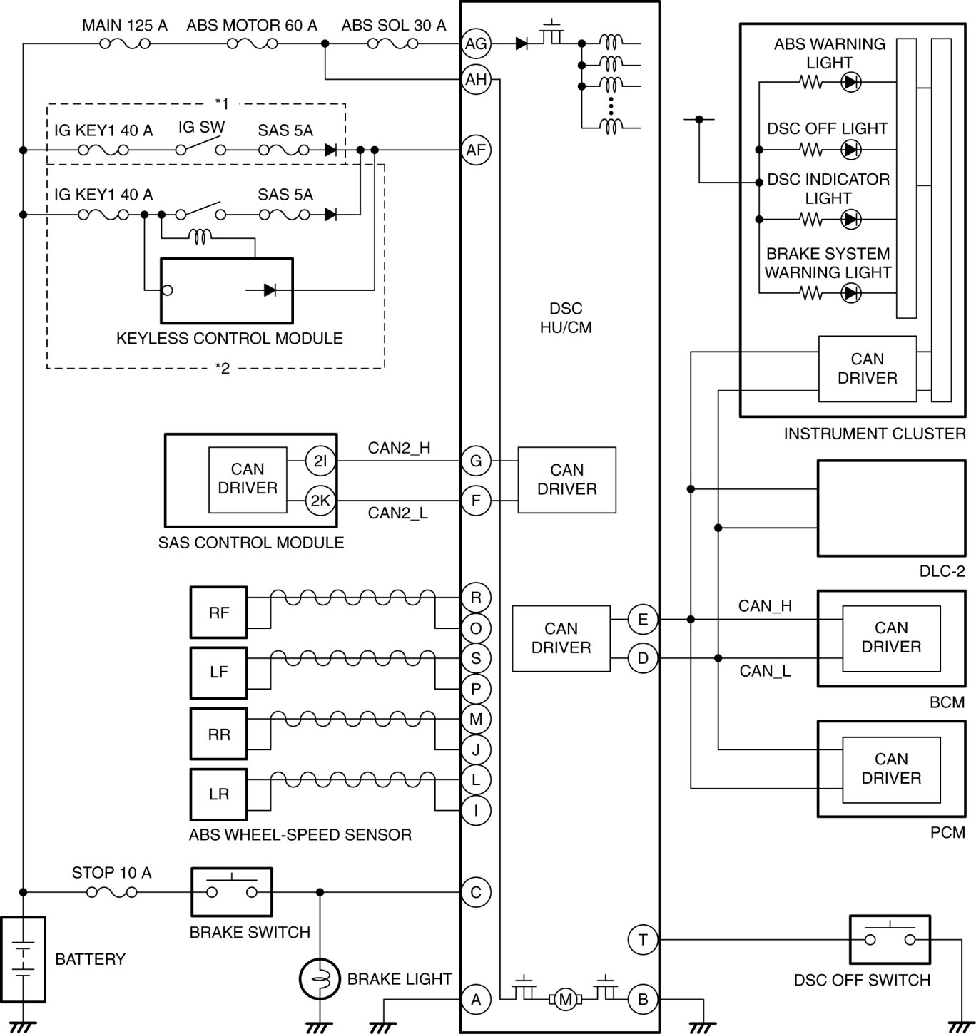
System Wiring Diagram
DYNAMIC STABILITY CONTROL SYSTEM WIRING DIAGRAM [DYNAMIC STABILITY CONTROL (DSC)]
*1
Vehicles without advanced keyless entry and push button start system
*2
Vehicles with advanced keyless entry and push button start system