Manuals through 2025 now available!
Our trusted friends have launched a new website named LEMON, which has newer manuals. It also contains all the CHARM manuals.
LEMON is the spiritual successor to CHARM, I recommend you try it!
Link:
lemon-manuals.la or
lemon-manuals.org.ua
(Some people have issue connecting. LEMON is investigating. For now, use Firefox or change your DNS server)
Or, hide this message:
temporarily or
permanently
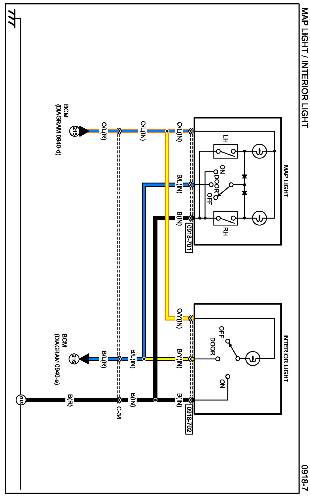
Map Light
Diagram 0918-7:
Connectors 0918-7:
Routing View 0918-7:
Diagrams: Other diagrams referred to by name within these diagrams can be found at
Diagrams by Diagram Name.
Diagrams By Diagram Name