Operation CHARM: Car repair manuals for everyone.
Manuals through 2025 now available!

Our trusted friends have launched a new website named LEMON, which has newer manuals. It also contains all the CHARM manuals.

LEMON is the spiritual successor to CHARM, I recommend you try it!

Link: lemon-manuals.la or lemon-manuals.org.ua

(Some people have issue connecting. LEMON is investigating. For now, use Firefox or change your DNS server)

Or, hide this message: temporarily or permanently

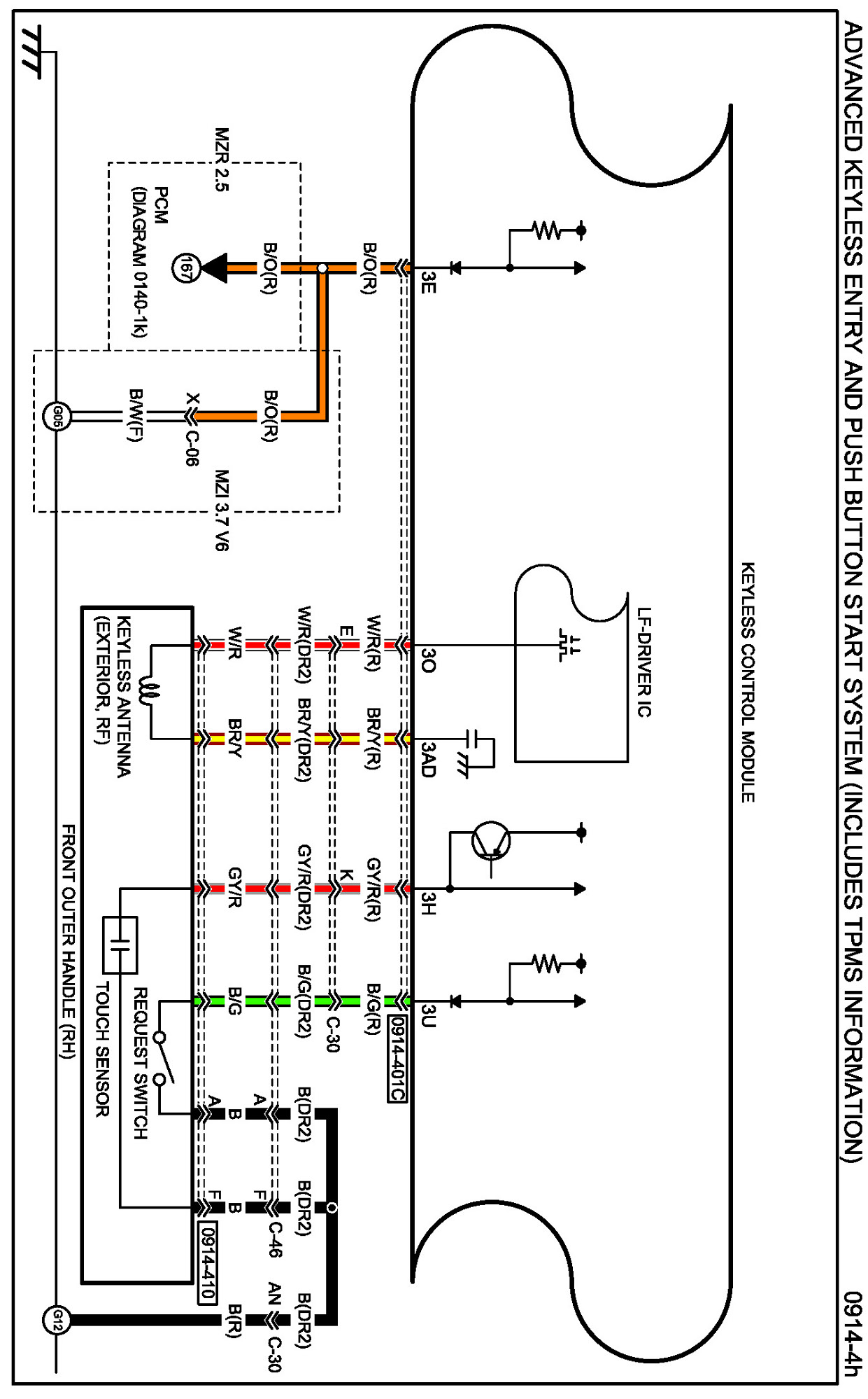
Keyless Starting System

Diagram 0914-4a:




Connectors 0914-4a:




Routing View 0914-4a:






Diagram 0914-4b:




Connectors 0914-4b:




Routing View 0914-4b:






Diagram 0914-4c:




Connectors 0914-4c:




Routing View 0914-4c:






Diagram 0914-4d:




Connectors 0914-4d:




Routing View 0914-4d:






Diagram 0914-4e:




Connectors 0914-4e:




Routing View 0914-4e:






Diagram 0914-4f:




Connectors 0914-4f:




Routing View 0914-4f:






Diagram 0914-4g:




Connectors 0914-4g:




Routing View 0914-4g:






Diagram 0914-4h:




Connectors 0914-4h:




Routing View 0914-4h:






Diagram 0914-4i:




Connectors 0914-4i:




Routing View 0914-4i:






Diagram 0914-4j:




Connectors 0914-4j:




Routing View 0914-4j:






Diagrams: Other diagrams referred to by name within these diagrams can be found at Diagrams by Diagram Name. Diagrams By Diagram Name