Operation CHARM: Car repair manuals for everyone.
Manuals through 2025 now available!

Our trusted friends have launched a new website named LEMON, which has newer manuals. It also contains all the CHARM manuals.

LEMON is the spiritual successor to CHARM, I recommend you try it!

Link: lemon-manuals.la or lemon-manuals.org.ua

(Some people have issue connecting. LEMON is investigating. For now, use Firefox or change your DNS server)

Or, hide this message: temporarily or permanently

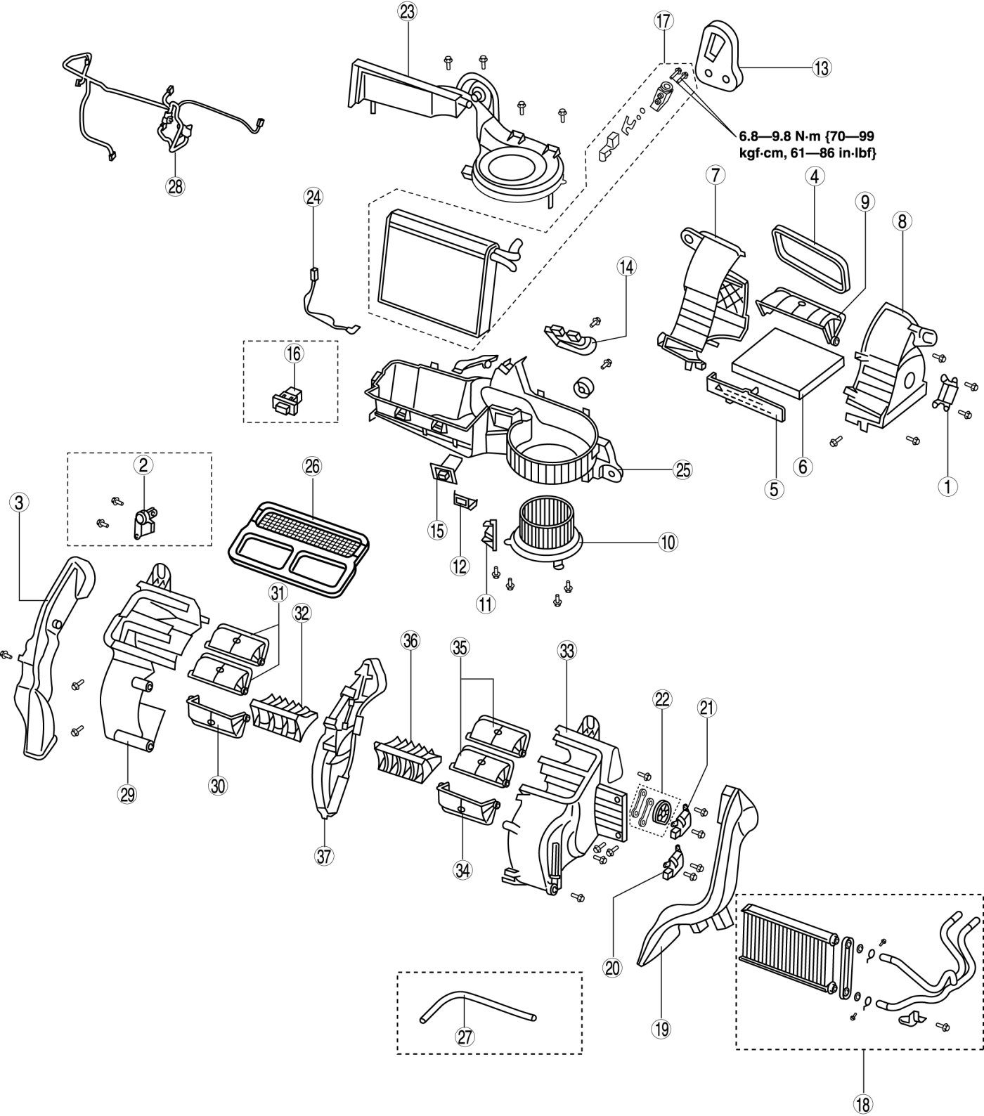
Overhaul





A/C UNIT DISASSEMBLY/ASSEMBLY

1. Disassemble in the order indicated in the table.

CAUTION:
- If a non-specified grease is used, it may result in abnormal noise or improper operation of the links. Apply only the specified grease to each link.

2. Assemble in the reverse order of disassembly.









Evaporator Temperature Sensor Assembly Note

1. Assemble the evaporator temperature sensor as shown in the figure.






Heater Pipe Removal Note

1. Remove the cover.






2. Remove the bracket and cover.






3. Remove the bolt and pull the heater pipe outward and remove it.






4. Remove the heater pipe and pull the heater core outward and remove it.






Heater Pipe Installation Note

1. Set assemble heater pipes as shown in the figure and then set it to the heater core.






2. Install the bracket and cover.