Operation CHARM: Car repair manuals for everyone.
Manuals through 2025 now available!

Our trusted friends have launched a new website named LEMON, which has newer manuals. It also contains all the CHARM manuals.

LEMON is the spiritual successor to CHARM, I recommend you try it!

Link: lemon-manuals.la or lemon-manuals.org.ua

(Some people have issue connecting. LEMON is investigating. For now, use Firefox or change your DNS server)

Or, hide this message: temporarily or permanently

Control Valve Body Removal/Installation





CONTROL VALVE BODY REMOVAL/INSTALLATION [AY6A-EL]

WARNING:
- A hot transaxle and ATF can cause severe burns. Turn off the engine and wait until they are cool.
- Using compressed air can cause dirt and other particles to fly out, causing injury to the eyes. Wear protective eyeglasses whenever using compressed air.

CAUTION:
- Water or foreign objects entering the connector can cause a poor connection or corrosion. Be sure not to drop water or foreign objects on the connector when disconnecting it.

1. Disconnect the negative battery cable.

2. Remove the fresh-air duct and air cleaner component as a single unit. Service and Repair

3. Remove the air cleaner bracket. Service and Repair

4. Clean the transaxle exterior throughout with a steam cleaner or cleaning solvents.

5. Drain the ATF. Automatic Transaxle Fluid (ATF) Replacement

6. Disconnect the oil hose from the oil pipe component (transaxle side). Removal and Replacement

7. Remove the oil pipe component (transaxle side). Removal and Replacement

8. Remove the control valve body cover. Control Valve Body Cover Replacement

NOTE:
- Disconnect the solenoid connector according to the following procedure:

- Insert a precision flathead screwdriver from the backside into the connector as shown in the figure.






CAUTION:
- Do not damage the solenoid valves and connectors with the flathead screwdriver.

- Pry the flathead screwdriver in the direction of the arrow and disconnect the connector.






CAUTION:
- When disconnecting connectors, grasp the connectors, not the wiring harnesses. Otherwise, the wiring harnesses may be pulled out of the connector causing poor contact.

9. Disconnect the solenoid connectors, VSS connector and the input/turbine speed sensor connector.






10. Disconnect the coupler component from the clamp.






11. Remove the lock plate, and pull out the TFT sensor from the control valve body.






12. Remove the VSS connector from the solenoid clamp.






13. Remove the suction cover and the gasket.






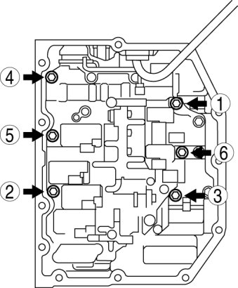
14. Remove the control valve body installation bolts in the order shown in the figure.






15. Disconnect the manual valve link and remove the control valve body component.






CAUTION:
- Do not drop the control valve body component.

16. Fix the coupler component with tape to the transaxle case as shown in the figure.






NOTE:
- Be sure to secure the coupler component with tape so that it will not interfere with the control valve body component.

17. Fix the VSS wiring harness with tape to the transaxle case as shown in the figure.






NOTE:
- Be sure to secure the VSS with tape so that they will not interfere with the control valve body component.

18. Connect the manual valve link and install the control valve body component.






CAUTION:
- When installing the control valve body component, secure the coupler component to the wiring harness clamp.
- Do not pinch the coupler component between the transaxle case and the control valve body component.

19. Temporarily install the control valve body component with the bolts.






NOTE:
- Aligning the bolt holes, temporarily tighten the bolt by hand.

Bolt length (measured from below the head)
- A: 21 mm {0.83 in}
- B: 31 mm {1.2 in}

20. Temporarily install the suction cover and a new gasket with the bolts.






NOTE:
- Aligning the bolt holes, temporarily tighten the bolt by hand.

21. Tighten the bolts in the order shown in the figure.






Tightening torque
- 8-12 Nm {82-122 kgf-cm, 71-106 in-lbf}

22. Install the connector of the VSS to the solenoid clamp.






23. Install the TFT sensor with the lock plate and a bolt to the control valve body component as shown in the figure.






Tightening torque
- 6.0-8.0 Nm {62-81 kgf-cm, 54-70 in-lbf}

24. Connect the solenoid connectors, VSS connector and the input/turbine speed sensor connector.






25. Connect the coupler component to the clamps.






26. Install the new control valve body cover. Control Valve Body Cover Replacement

27. Install the oil pipe component (transaxle side). Removal and Replacement

28. Connect the oil hose to the oil pipe component (transaxle side). Removal and Replacement

29. Install the air cleaner bracket. Service and Repair

30. Add ATF. Adjustments

31. Install the fresh-air duct and air cleaner component as a single unit. Service and Repair

32. Connect the negative battery cable.

33. Adjust the ATF level. Adjustments

34. Perform the "Mechanical System Test". Mechanical System Test

35. Perform the "Road Test". Road Test