Operation CHARM: Car repair manuals for everyone.
Manuals through 2025 now available!

Our trusted friends have launched a new website named LEMON, which has newer manuals. It also contains all the CHARM manuals.

LEMON is the spiritual successor to CHARM, I recommend you try it!

Link: lemon-manuals.la or lemon-manuals.org.ua

(Some people have issue connecting. LEMON is investigating. For now, use Firefox or change your DNS server)

Or, hide this message: temporarily or permanently

(HS-CAN) [Multiplex Communication System]





DETERMINING MALFUNCTIONING PART (HS-CAN) [MULTIPLEX COMMUNICATION SYSTEM]

CAUTION:
- If the malfunctioning part is detected in the communication line, before disconnecting the related connector for inspection, press the connector in the connection direction to verify that there is no looseness or disconnection.
- When disconnecting the connector, verify that there is no damage, deformation, or corrosion of the connector terminals.

1. Verify the CAN system-related module DTCs and the failed module using the (M-MDS).

2. Look for a DTC display pattern and failed module display pattern in tandem which match.
NOTE:
- A hyphen(-) in the DTC output pattern table indicates that the DTC may be displayed depending on the malfunction detection conditions. If only an (x) is indicated, it means the DTC will not be displayed.
- If any of the following DTCs is displayed alone, perform the applicable DTC inspection. Multiplex Communication System - DTC Table

- TCM: U0415:00
- BCM: U0401
- Keyless control module: U2023
- BSM control module (LH): U0401:68, U0402:68, U0422:68, U0534:68
- BSM control module (RH): U0401:68, U0402:68, U0422:68, U0533:68
- Position memory control module: U0431:68
- Instrument cluster: U2023, U2510

3. Refer to the matching tandem diagnostic results (A to S) and inspect the possible cause and inspection item.

4. Perform the DTC inspection after the repair procedure.

- If any DTC is displayed, return to Initial Inspection and Diagnostic Overview.

Diagnostic Table for Determining Malfunctioning Part
Cross (x): Displayed Hyphen (-): May or may not be displayed









*1
With AWD
*2
With advanced keyless entry and start system
*3
With PSD system
*4
With BSM system
*5
With position memory control system

A

Possible cause

- Connector terminal disconnection, poor contact, damage, deformation, corrosion
- Open circuit in wiring harness between PCM and branch A
- PCM malfunction

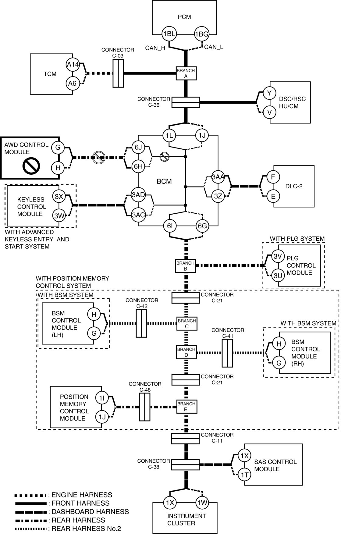
System wiring diagram





Inspection item

- PCM connector
- Wiring harness between PCM terminal 1BL and branch A
- Wiring harness between PCM terminal 1BG and branch A
- PCM

B

Possible cause

- Connector terminal disconnection, poor contact, damage, deformation, corrosion
- Open circuit in wiring harness between TCM and connector C-03
- Open circuit in wiring harness between connector C-03 and branch A
- Connector C-03 malfunction
- TCM malfunction

System wiring diagram





Inspection item

- TCM connector
- Connector C-03 connector
- Wiring harness between TCM terminal A14 and connector C-03
- Wiring harness between TCM terminal A6 and connector C-03
- Wiring harness between connector C-03 and branch A
- TCM

C

Possible cause

- Connector terminal disconnection, poor contact, damage, deformation, corrosion
- Open circuit in wiring harness between branch A and connector C-36
- Connector C-36 malfunction

System wiring diagram





Inspection item

- Connector C-36
- Wiring harness between branch A and connector C-36

D

Possible cause

- Connector terminal disconnection, poor contact, damage, deformation, corrosion
- Open circuit in wiring harness between DSC/RSC HU/CM and connector C-36
- Connector C-36 malfunction
- DSC/RSC HU/CM malfunction

System wiring diagram





Inspection item

- DSC/RSC HU/CM connector
- Connector C-36 connector
- Wiring harness between DSC/RSC HU/CM terminal Y and connector C-36
- Wiring harness between DSC/RSC HU/CM terminal V and connector C-36
- DSC/RSC HU/CM

E

Possible cause

- Connector terminal disconnection, poor contact, damage, deformation, corrosion
- Open circuit in wiring harness between BCM and connector C-36
- Connector C-36 malfunction
- BCM malfunction

System wiring diagram





Inspection item

- BCM connector
- Connector C-36 connector
- Wiring harness between BCM terminal 1L and connector C-36
- Wiring harness between BCM terminal 1J and connector C-36
- Inspect for continuity between the following terminals:

- BCM terminal 1l and terminal 3AA
- BCM terminal 1J and terminal 3Z

F

Possible cause

- Connector terminal disconnection, poor contact, damage, deformation, corrosion
- BCM malfunction

System wiring diagram





Inspection item

- BCM

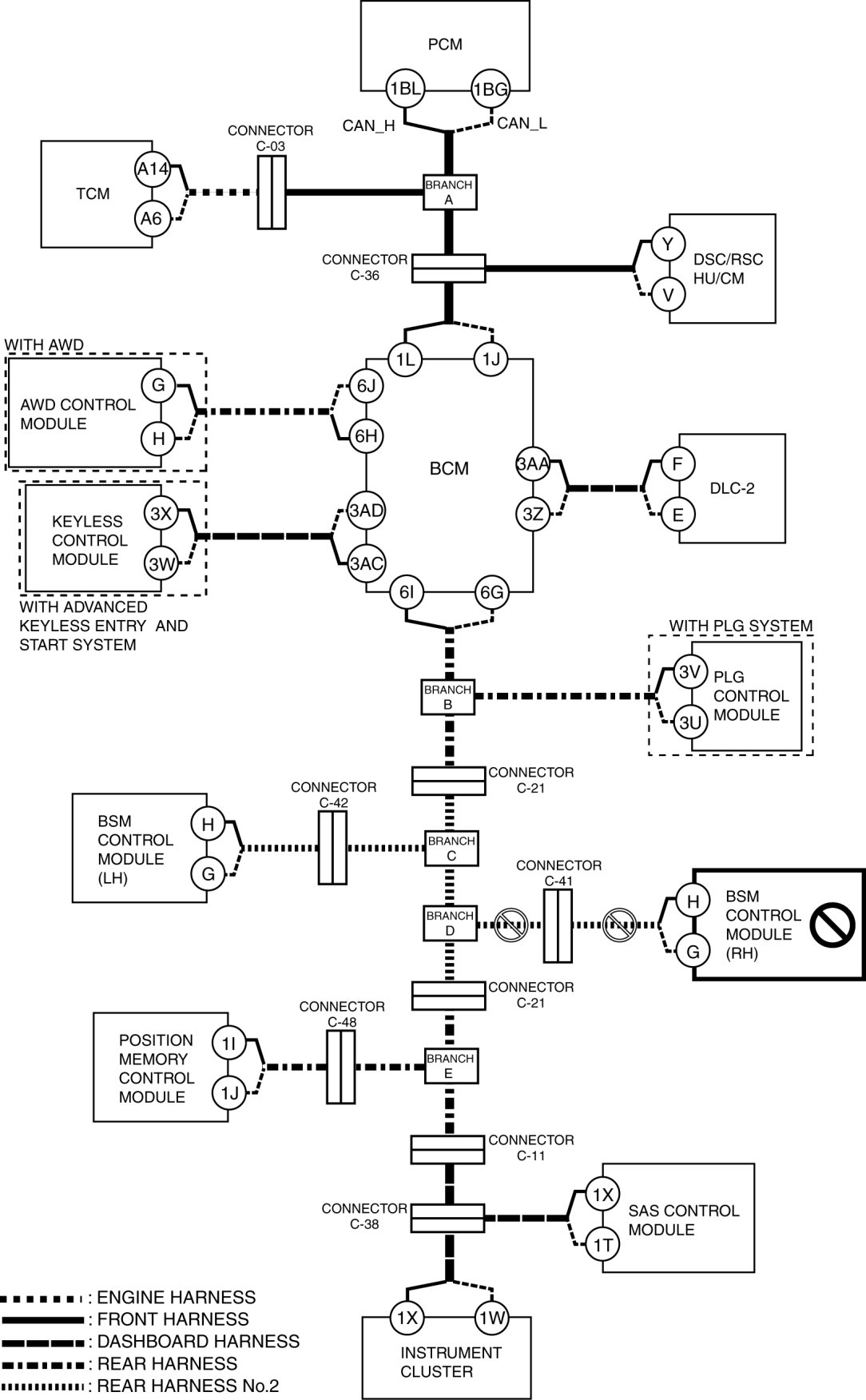
G

Possible cause

- Connector terminal disconnection, poor contact, damage, deformation, corrosion
- Open circuit in wiring harness AWD control module and BCM
- AWD control module malfunction
- BCM malfunction

System wiring diagram





Inspection item

- BCM connector
- 4WD control module connector
- Wiring harness between 4WD control module terminal G and BCM terminal 6J
- Wiring harness between 4WD control module terminal H and BCM terminal 6H
- 4WD control module
- Inspect for continuity between the following terminals:

- BCM terminal 6J and terminal 3AA
- BCM terminal 6H and terminal 3Z

H

Possible cause

- Connector terminal disconnection, poor contact, damage, deformation, corrosion
- Open circuit in wiring harness keyless control module and BCM
- Keyless control module malfunction
- BCM malfunction

System wiring diagram





Inspection item

- BCM connector
- Keyless control module connector
- Wiring harness between keyless control module terminal 3X and BCM terminal 3AD
- Wiring harness between keyless control module terminal 3W and BCM terminal 3AC
- Keyless control module
- Inspect for continuity between the following terminals:

- BCM terminal 3AD and terminal 3AA
- BCM terminal 3AC and terminal 3Z

I

Possible cause

- Connector terminal disconnection, poor contact, damage, deformation, corrosion
- Open circuit in wiring harness BCM and branch B
- BCM malfunction

System wiring diagram





Inspection item

- BCM connector
- Wiring harness between BCM terminal 6I and branch B
- Wiring harness between BCM terminal 6G and branch B
- Inspect for continuity between the following terminals:

- BCM terminal 6I and terminal 3AA
- BCM terminal 6G and terminal 3Z

J

Possible cause

- Connector terminal disconnection, poor contact, damage, deformation, corrosion
- Open circuit in wiring harness between PLG control module and branch B
- PLG control module malfunction

System wiring diagram





Inspection item

- PLG control module connector
- Wiring harness between PLG control module terminal 3V and branch B
- Wiring harness between PLG control module terminal 3U and branch B
- PLG control module

K

Possible cause

- Connector terminal disconnection, poor contact, damage, deformation, corrosion
- Open circuit in wiring harness branch B and connector C-21
- Open circuit in wiring harness connector C-21 and branch C
- Connector C-21 malfunction

System wiring diagram





Inspection item

- Connector C-21 connector
- Wiring harness between branch B and connector C-21
- Wiring harness between connector C-21 and branch C

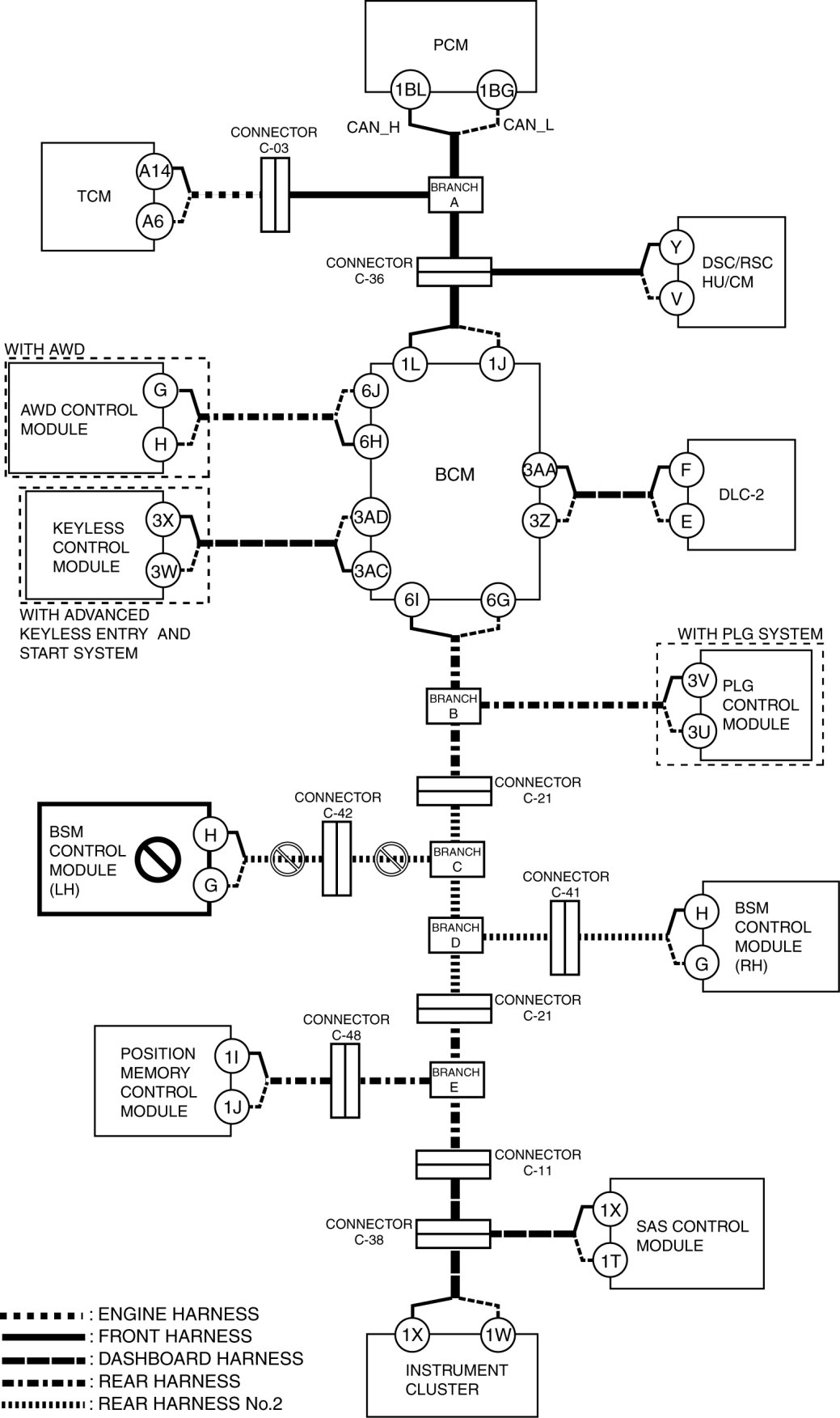
L

Possible cause

- Connector terminal disconnection, poor contact, damage, deformation, corrosion
- Open circuit in wiring harness BSM control module (LH) and connector C-42
- Open circuit in wiring harness connector C-42 and branch C
- Connector C-42 malfunction
- BSM control module (LH) malfunction

System wiring diagram





Inspection item

- Connector C-42 connector
- BSM control module (LH) connector
- Wiring harness between BSM control module (LH) terminal H and connector C-42
- Wiring harness between BSM control module (LH) terminal G and connector C-42
- Wiring harness between connector C-42 and branch C
- BSM control module (LH)

M

Possible cause

- Connector terminal disconnection, poor contact, damage, deformation, corrosion
- Open circuit in wiring harness branch C and branch D

System wiring diagram





Inspection item

- Wiring harness between branch C and branch D

N

Possible cause

- Connector terminal disconnection, poor contact, damage, deformation, corrosion
- Open circuit in wiring harness BSM control module (RH) and connector C-41
- Open circuit in wiring harness connector C-41 and branch D
- Connector C-41 malfunction
- BSM control module (RH) malfunction

System wiring diagram





Inspection item

- Connector C-41 connector
- BSM control module (RH) connector
- Wiring harness between BSM control module (RH) terminal H and connector C-41
- Wiring harness between BSM control module (RH) terminal G and connector C-41
- Wiring harness between connector C-41 and branch D
- BSM control module (RH)

O

Possible cause

- Connector terminal disconnection, poor contact, damage, deformation, corrosion
- Open circuit in wiring harness branch D and connector C-21
- Open circuit in wiring harness connector C-21 and branch E
- Connector C-21 malfunction

System wiring diagram





Inspection item

- Connector C-21
- Wiring harness between branch D and connector C21
- Wiring harness between connector C-21 and branch E

P

Possible cause

- Connector terminal disconnection, poor contact, damage, deformation, corrosion
- Open circuit in wiring harness position memory control module and connector C-48
- Open circuit in wiring harness connector C-48 and branch E
- Connector C-48 malfunction
- Position memory control module malfunction

System wiring diagram





Inspection item

- Connector C-48
- Position memory control module connector
- Wiring harness between Position memory control module terminal 1I and connector C-48
- Wiring harness between Position memory control module terminal 1J and connector C-48
- Wiring harness between connector C48 and branch E
- Position memory control module

Q

Possible cause

- Connector terminal disconnection, poor contact, damage, deformation, corrosion
- Open circuit in wiring harness branch E and connector C-11
- Open circuit in wiring harness connector C-11 and connector C-38
- Connector C-11 malfunction
- Connector C-38 malfunction

System wiring diagram





Inspection item

- Connector C-11
- Connector C-38
- Wiring harness between branch E and connector C11
- Wiring harness between connector C-11 and connector C-38

R

Possible cause

- Connector terminal disconnection, poor contact, damage, deformation, corrosion
- Open circuit in wiring harness SAS control module and connector C-38
- SAS control module malfunction
- Connector C-38 malfunction

System wiring diagram





Inspection item

- SAS control module connector
- Connector C-38 connector
- Wiring harness between SAS control module terminal 1X and connector C-38
- Wiring harness between SAS control module terminal 1T and connector C-38
- SAS control module

S

Possible cause

- Connector terminal disconnection, poor contact, damage, deformation, corrosion
- Open circuit in wiring harness instrument cluster and connector C-38
- Connector C-38 malfunction
- Instrument cluster malfunction

System wiring diagram





Inspection item

- Instrument cluster connector
- Connector C-38 connector
- Wiring harness between instrument cluster terminal 1X and connector C-38
- Wiring harness between instrument cluster terminal 1W and connector C-38
- Instrument cluster