Operation CHARM: Car repair manuals for everyone.
Manuals through 2025 now available!

Our trusted friends have launched a new website named LEMON, which has newer manuals. It also contains all the CHARM manuals.

LEMON is the spiritual successor to CHARM, I recommend you try it!

Link: lemon-manuals.la or lemon-manuals.org.ua

(Some people have issue connecting. LEMON is investigating. For now, use Firefox or change your DNS server)

Or, hide this message: temporarily or permanently

Removal and Replacement





ENGINE REMOVAL/INSTALLATION [LF]

WARNING:
- Fuel is very flammable liquid. If fuel spills or leaks from the pressurized fuel system, it will cause serious injury or death and facility breakage. Fuel can also irritate skin and eyes. To prevent this, always complete the "Fuel Line Safety Procedure", while referring to the "BEFORE SERVICE PRECAUTION".

NOTE:
- Remove the engine, transmission, and crossmember component as a single unit from under the vehicle.

1. Perform "Fuel Line Safety Procedures". Leave the fuel pump relay removed. Before Service Precaution

2. Drain the engine coolant. Service and Repair

3. Remove the following parts:
a. The front wheel and tires Service and Repair

b. The plug hole plate Service and Repair

c. The battery cover, battery, battery box, battery tray and battery duct Removal and Replacement

d. The air cleaner Service and Repair

e. The throttle body Service and Repair

f. The PCM, PCM duct and air cleaner insulator Service and Repair

g. The coolant reserve tank Service and Repair

h. The console Console Removal/Installation

4. Disconnect the P/S oil pump hoses and drain the P/S fluid reservoir. Removal and Replacement

5. Remove the splash shield A, splash shield B and front under cover. Front Under Cover Removal/Installation

6. Remove the under cover. Front Suspension - Transverse Member Removal/Installation

7. Remove the generator duct. Removal and Replacement

8. Drain the transmission oil (MT) or ATF (AT). Transmission Oil Replacement Transmission Oil Replacement Automatic Transmission Fluid (ATF) Replacement

9. Disconnect the brake vacuum hose. Service and Repair

10. Disconnect the quick release connector from the dynamic chamber. Service and Repair

11. Disconnect the quick release connector from the fuel distributor. Before Service Precaution Quick Release Connector Removal/Installation

12. Remove the drive belt. Service and Repair

13. Remove the A/C compressor with the pipes connected and secure the A/C compressor using wire or rope so that it is out of the way.

14. Disconnect the water hose and heater hose.

15. Secure the caliper (front) using wire or rope so that it is out of the way.

16. Disconnect the wiring harness.

17. Disconnect front ABS wheel-speed sensor connector. Antilock Braking System (ABS)

18. Remove the radiator. Service and Repair

19. Perform the following procedure.

AT
- Disconnect the manual shaft lever component. Automatic Transmission Removal/Installation

MT
- Remove the clutch release cylinder with the pipes connected and secure the clutch release cylinder using wire or rope so that it is out of the way. Removal and Replacement
- Remove the shift lever knob. Transmission Removal/Installation

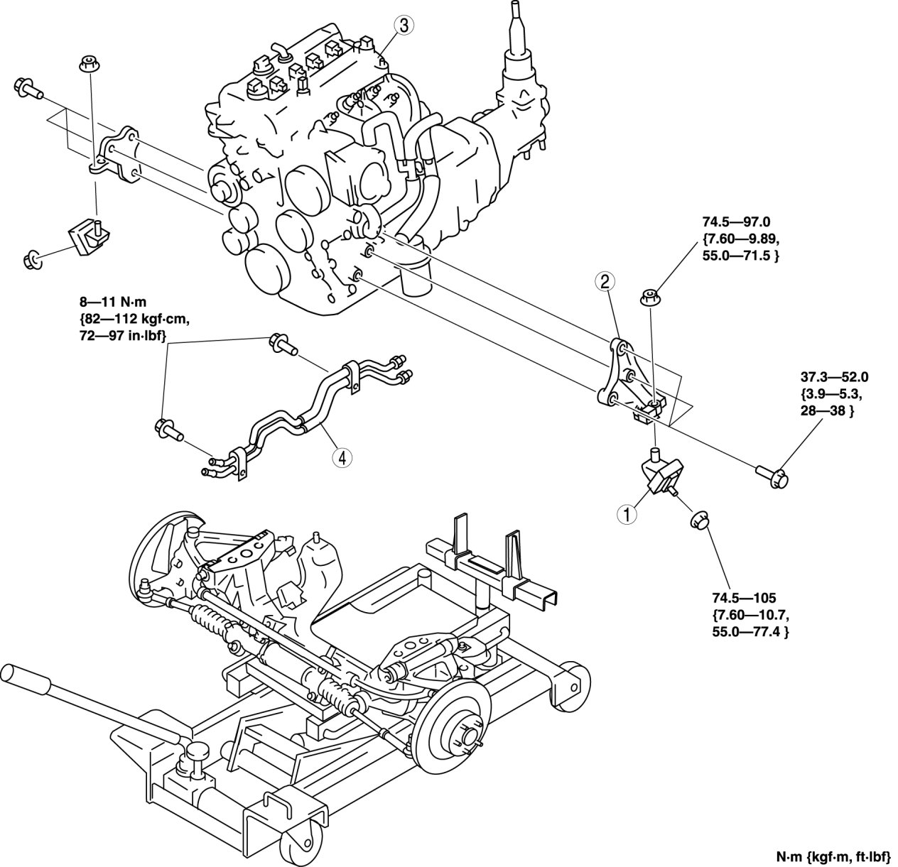
20. Remove the engine, transmission, and crossmember component using an engine lifter in the order indicated in the table.

WARNING:
- Remove the engine, transmission and crossmember carefully, holding it steady. If the transmission falls it could be damaged or cause injury.









21. Remove the engine and transmission from the crossmember component lifter in the order indicated in the table by suspending them with a crane.










22. Install in the reverse order of removal.

23. Start the engine and inspect and adjust the following:

- Pulley and belt for runout, tension, and contact
- Leakage of engine oil, engine coolant, ATF, MT oil, and fuel
- Ignition timing, idle speed, and idle mixture (CO and HC) Service and Repair
- Front wheel alignment Front Wheel Alignment
- Engine-driven accessories operation

24. Perform the on-road test and verify that there is no vibration or noise.

Engine, Transmission, Crossmember Component Removal Note

1. Secure the engine, transmission, and crossmember component using an engine lifter.