Operation CHARM: Car repair manuals for everyone.
Manuals through 2025 now available!

Our trusted friends have launched a new website named LEMON, which has newer manuals. It also contains all the CHARM manuals.

LEMON is the spiritual successor to CHARM, I recommend you try it!

Link: lemon-manuals.la or lemon-manuals.org.ua

(Some people have issue connecting. LEMON is investigating. For now, use Firefox or change your DNS server)

Or, hide this message: temporarily or permanently

Power Steering Fluid: Testing and Inspection





POWER STEERING FLUID INSPECTION

Fluid Level Inspection

1. Inspect the power steering fluid level.

- Add fluid to the specified level as necessary.

Power steering fluid type
- Mazda Genuine ATF M-III or equivalent (e.g. Dexron(R)II)

Power steering fluid capacity (approximate quantity)
- 1.19 L {1.25 US qt, 1.04 Imp qt}

Fluid Leakage Inspection

1. Start the engine and let it idle.

2. Turn the steering wheel fully to the left and right to apply fluid pressure.

CAUTION:
- If the steering wheel is kept in the fully turned position for more than 5 seconds, the fluid temperature will rise excessively and adversely affect the oil pump.

3. Inspect for fluid leakage.






- If fluid leakage is found, replace related pipe or hose.

NOTE:
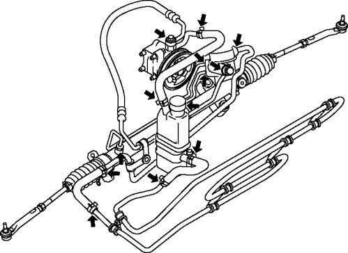
- The points where fluid leakage may occur are indicated in the figure.

Fluid Pressure Inspection

1. Assemble the SSTs as shown in the figure.






2. Disconnect the pressure pipe from the oil pump, and connect the SSTs.






Tightening torque
- 29.4-44.1 Nm {3.00-4.49 kgf-m, 21.7-32.5 ft-lbf}

3. Bleed the air from the system. Service and Repair

4. Open the gauge valve fully.

5. Start the engine and turn the steering wheel fully left and right to raise the fluid temperature to 50-60 °C {122-140 °F}.

6. Close the gauge valve completely.






7. Increase the engine speed to 1,000-1,500 rpm and measure the fluid pressure generated by the oil pump.

- If the pressure is not within the specification, repair or replace the oil pump component.

CAUTION:
- If the valve is left closed for more than 5 seconds, the fluid temperature will rise excessively and adversely affect the oil pump.

Oil pump fluid pressure
- 7.55-8.05 MPa {77.0-82.0 kgf/cm2, 1095-1167 psi}

8. Open the gauge valve fully and increase the engine speed to 1,000-1,500 rpm.






9. Turn the steering wheel fully to the left and right, then measure the fluid pressure generated at the gear housing.

- If the pressure is not within the specification, repair or replace the steering gear component.

CAUTION:
- If the steering wheel is kept in the fully turned position for more than 5 seconds, the fluid temperature will rise excessively and adversely affect the oil pump.

Gear housing fluid pressure
- 7.55-8.05 MPa {77.0-82.0 kgf/cm2, 1095-1167 psi}

10. Remove the SSTs. Install and tighten the pressure pipe to the specified torque.

Tightening torque
- 29.4-44.1 Nm {3.00-4.49 kgf-m, 21.7-32.5 ft-lbf}

11. Bleed the air from the system.