Operation CHARM: Car repair manuals for everyone.
Manuals through 2025 now available!

Our trusted friends have launched a new website named LEMON, which has newer manuals. It also contains all the CHARM manuals.

LEMON is the spiritual successor to CHARM, I recommend you try it!

Link: lemon-manuals.la or lemon-manuals.org.ua

(Some people have issue connecting. LEMON is investigating. For now, use Firefox or change your DNS server)

Or, hide this message: temporarily or permanently

Valve Clearance: Testing and Inspection





VALVE CLEARANCE INSPECTION [LF]

1. Remove the battery cover. Removal and Replacement

2. Disconnect the negative battery cable. Removal and Replacement

3. Remove the plug hole plate. Service and Repair

4. Disconnect the ventilation hose. Service and Repair

5. Remove the front suspension tower bar (joint). Service and Repair

6. Remove the CMP sensor. Service and Repair

7. Disconnect the oil control valve (OCV) connector.

8. Disconnect the P/S pressure switch connector.

9. Remove the ignition coils. Service and Repair

10. Remove the cylinder head cover. Service and Repair

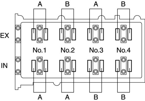
11. Measure the valve clearance.
a. Turn the crankshaft clockwise so that the No.1 piston is at TDC of the compression stroke.

b. Measure the valve clearance at A in the figure.

- If the valve clearance is out of the specification, adjust it. Adjustments
NOTE:
- Make sure to note down the measured values for choosing the suitable replacement tappets.

Valve clearance [Engine cold]
- IN: 0.22-0.28 mm {0.0087-0.0110 in}
- EX: 0.27-0.33 mm {0.0107-0.0129 in}





c. Turn the crankshaft 360° clockwise so that the No.4 piston is at TDC of the compression stroke.

d. Measure the valve clearance at B in the figure.

- If the valve clearance is out of the specification, adjust it. Adjustments
NOTE:
- Make sure to note down the measured values for choosing the suitable replacement tappets.

Valve clearance [Engine cold]
- IN: 0.22-0.28 mm {0.0087-0.0110 in}
- EX: 0.27-0.33 mm {0.0107-0.0129 in}

12. Install the cylinder head cover. Service and Repair

13. Install the ignition coils. Service and Repair

14. Connect the P/S pressure switch connector.

15. Connect the OCV connector.

16. Install the CMP sensor. Service and Repair

17. Install the front suspension tower bar (joint). Service and Repair

18. Connect the ventilation hose. Service and Repair

19. Install the plug hole plate. Service and Repair

20. Connect the negative battery cable. Removal and Replacement

21. Install the battery cover.