Operation CHARM: Car repair manuals for everyone.
Manuals through 2025 now available!

Our trusted friends have launched a new website named LEMON, which has newer manuals. It also contains all the CHARM manuals.

LEMON is the spiritual successor to CHARM, I recommend you try it!

Link: lemon-manuals.la or lemon-manuals.org.ua

(Some people have issue connecting. LEMON is investigating. For now, use Firefox or change your DNS server)

Or, hide this message: temporarily or permanently

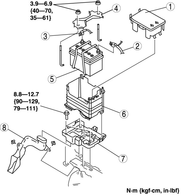
Removal and Replacement





BATTERY REMOVAL/INSTALLATION [LF]

WARNING:
1 For vehicles with DSC, if the negative battery cable is disconnected, the stored initial position of the steering angle sensor will be cleared and the DSC will not operate properly, making the vehicle unsafe to drive. Perform the steering angle sensor initialization procedure after connecting the negative battery cable.

1. Remove in the order indicated in the table.

2. Install in the reverse order of removal.

3. Perform the steering angle sensor initialization procedure. Steering Angle Sensor Initialization Procedure









Battery Cover Removal Note

1. Remove the rubber hose from the battery cover.






2. Remove the battery cover from its right side.






Battery Duct Removal Note

1. Remove the front under cover. Front Under Cover Removal/Installation

2. Remove the battery duct.

Negative Battery Cable Installation Note

1. When connecting the negative battery cable to the battery, connect the negative battery cable and the ground cable as shown in the figure.