Operation CHARM: Car repair manuals for everyone.
Manuals through 2025 now available!

Our trusted friends have launched a new website named LEMON, which has newer manuals. It also contains all the CHARM manuals.

LEMON is the spiritual successor to CHARM, I recommend you try it!

Link: lemon-manuals.la or lemon-manuals.org.ua

(Some people have issue connecting. LEMON is investigating. For now, use Firefox or change your DNS server)

Or, hide this message: temporarily or permanently

Control Valve Body Installation





CONTROL VALVE BODY INSTALLATION [SJ6A-EL]

On-Vehicle Installation

CAUTION:
- When installing the control valve body component, do not put the coupler component in the open space of the separate plate in the control valve body component.
- Do not pinch the coupler component between the separate plate and the control valve body component.

1. Install the accumulator valve and compression springs to the transmission case.






CAUTION:
- Do not to damage the O-ring and accumulator piston.

2. Coat the new O-rings with ATF, and install it to the accumulator piston (C-3).

3. Install the accumulator piston (C-3) and the compression spring to the transmission case.






4. Coat the new O-rings with ATF, and install it to the accumulator pistons (C-2, B-3).

5. Install the compression springs and the snap rings to the accumulator pistons (C-2, B-3) using a flathead screwdriver.

6. Install the accumulator pistons (C-2, B-3) and the compression springs to the transmission case.






7. Coat the new transmission gaskets and the new brake drum gaskets with ATF, and install it to the transmission case.






CAUTION:
- Do not to damage the gasket.

8. Install the check valve sub-component and the compression spring to the transmission case.






9. Connect the manual valve link and install the control valve body component.






CAUTION:
- When installing, be sure to put the wiring harness in the concave portion of the separator plate in the control valve body component as shown in the figure.





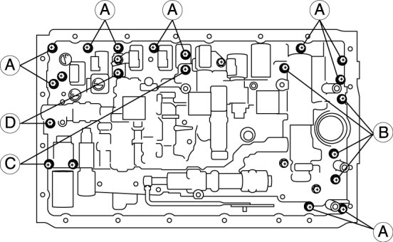
10. Temporarily install the control valve body component with the bolts.






Bolt length (measured from below the head)
- A: 25 mm {0.984 in}
- B: 36mm {1.42 in}
- C: 45mm {1.77 in}
- D: 50mm {1.97 in}

NOTE:
- Aligning the bolt holes, temporarily tighten the bolts by hand.

- Tighten the bolts starting from the inner ones and moving in a criss-cross pattern.

11. Tighten the bolts.

Tightening torque
- 10.0-12.0 Nm {102-122 kgf-cm, 89-105 in-lbf}

12. Install the detent spring cover and detent spring with the bolt to the control valve body component.

Tightening torque
- 8.0-12.0 Nm {82-122 kgf-cm, 72-105 in-lbf}

13. Install the TFT sensor and the lock plate with the bolt to the control valve body component.

Tightening torque
- 8.0-12.0 Nm {82-122 kgf-cm, 72-105 in-lbf}

14. Connect the coupler component to the clamps.






15. Connect the connectors to the solenoids.

16. Coat a new O-ring with ATF and install it to the oil strainer.

17. Install the oil strainer with the bolts to the control valve body component.






Tightening torque
- 8.0-12.0 Nm {82-122 kgf-cm, 72-105 in-lbf}

CAUTION:
- Pay attention to the fabric so that foreign materials from it cannot comes out in the transmission.

18. Clean the contact surface of oil pan and transmission case.
NOTE:
- Clean the oil cleaner magnets before install it.

19. Install the magnets to the oil pan.






CAUTION:
- Do not to damage the contact surface of the transmission case and the oil pan.
- Do not to deform the oil pan.

20. Install a new oil pan gasket and the oil pan to the transmission case.

CAUTION:
- Be careful that bolts might be damaged if tightened too much since the gasket is cork-made.

21. Install the bolts to the transmission case.

Tightening torque
- 6.0-7.9 Nm {62-80 kgf-cm, 54-69 in-lbf}

22. Connect the negative battery cable. Removal and Replacement

23. Install the battery cover.

24. Add ATF and, with the engine idling, inspect the ATF level and for leakage. Procedures

25. Perform the mechanical system test. Mechanical System Test

26. Perform the road test. Road Test