Operation CHARM: Car repair manuals for everyone.
Manuals through 2025 now available!

Our trusted friends have launched a new website named LEMON, which has newer manuals. It also contains all the CHARM manuals.

LEMON is the spiritual successor to CHARM, I recommend you try it!

Link: lemon-manuals.la or lemon-manuals.org.ua

(Some people have issue connecting. LEMON is investigating. For now, use Firefox or change your DNS server)

Or, hide this message: temporarily or permanently

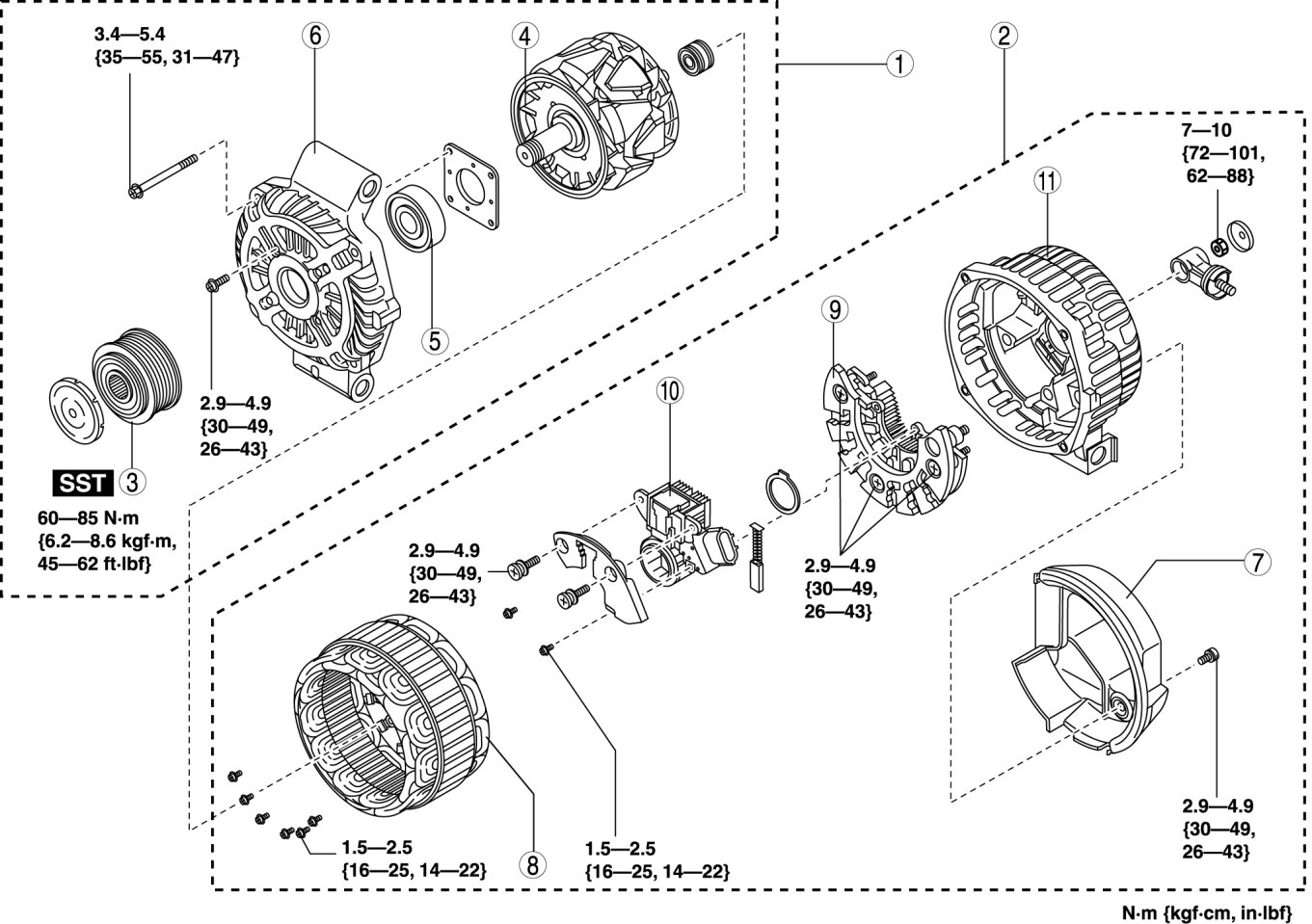
Overhaul





GENERATOR DISASSEMBLY/ASSEMBLY [MZR 2.3 DISI Turbo]

CAUTION:
- Melt the solder quickly, otherwise the diodes (rectifier) and regulator will be damaged by excessive heat.

1. Disassemble in the order indicated in the table.

2. Assemble in the reverse order of disassembly.









Pulley Disassembly/Assembly Note

1. Disassemble/assemble the pulley using the SST.






Tightening torque
1 60-85 Nm {6.2-8.6 kgf-m, 45-62 ft-lbf}