Operation CHARM: Car repair manuals for everyone.
Manuals through 2025 now available!

Our trusted friends have launched a new website named LEMON, which has newer manuals. It also contains all the CHARM manuals.

LEMON is the spiritual successor to CHARM, I recommend you try it!

Link: lemon-manuals.la or lemon-manuals.org.ua

(Some people have issue connecting. LEMON is investigating. For now, use Firefox or change your DNS server)

Or, hide this message: temporarily or permanently

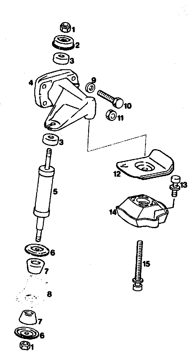
Front Engine Mounts



Removal:





1 Unscrew screw (15, arrow) from underside of vehicle.
Unscrew nut (1) from engine shock absorber below.
3 Lift engine at oil pan by means of pit lift.

NOTE: Use wooden base to prevent damage to oil pan.

4 Unscrew screws (13) and remove engine mount.

Installation:
5 For installation proceed vice versa.

NOTE: The shielding plate is located at the left

6 Tighten screw (15, arrow) to 70 Nm.





1 Nut M6
2 Cup washer
3 Rubber buffer
4 Engine carrier
5 Engine shock absorber
6 Cup washer
7 Rubber buffer
8 Bracket
9 Washer
10 Screw
11 Nut
12 Shielding plate.
13 Combination screw
14 Engine mount
15 Screw