Operation CHARM: Car repair manuals for everyone.
Manuals through 2025 now available!

Our trusted friends have launched a new website named LEMON, which has newer manuals. It also contains all the CHARM manuals.

LEMON is the spiritual successor to CHARM, I recommend you try it!

Link: lemon-manuals.la or lemon-manuals.org.ua

(Some people have issue connecting. LEMON is investigating. For now, use Firefox or change your DNS server)

Or, hide this message: temporarily or permanently

Air Injection System Test


Special Tools

Oil Telethermometer - PN 116 589 27 21 00:





Tester 0-1000 Mbar For Vacuum - PN 116 589 25 21 00:





Conventional Tools
^ Digital multimeter (volt-ohmmeter) - e.g. Sun Electric DMM-5

Functional Diagram of Air Injection System





1. Intake manifold
3. Air guide housing
4. Air flow sensor
5. Fuel distributor
8. Ignition distributor
18. Throttle valve switch
25. Air pump
29. Check valve (air injection)
30. Suction line, air pump
32. Cylinder head
38. Air cleaner
40. Air injection shutoff valve
43. Switchover valve
44. Check valve (vacuum)
46. Timing chain housing cover

b) To exhaust manifold

Color Code
bk = black
bl = blue
pu = purple
re = red
wh = white

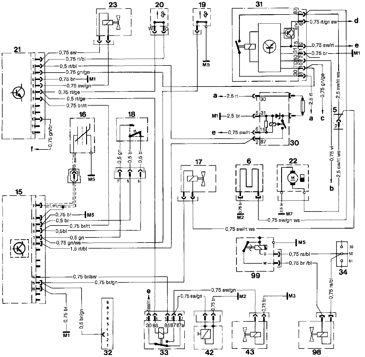
Wiring Diagram for Lambda Control, Air Injection and Electronic Idle Speed Control





5. Connector, tail lamp harness
6. Warm-up compensator
15. Lambda control unit
16. Oxygen sensor
17. Frequency valve
18. Throttle valve switch
19. Temp. switch, 16°C (61°F) oil
20. Temp. switch, 42°C (108°F) coolant
21. Electronic idle speed control unit
22. Fuel pump
23. Idle speed control valve
30. Relay, lambda control with excess voltage protection
31. Relay, fuel pump
32. Diagnostic socket
33. Relay, air injection
34. Terminal block, engine
42. Solenoid clutch, air pump
43. Switchover valve, air injection
98. Cold start valve
99. Thermo time switch
a) to terminal 30, fuse box
b) to ignition/starter switch, terminal 50
c) to terminal block, terminal TD
d) to starter lockout/back-up light switch, terminal 7
e) Model 107: to fuse No. 5, terminal 15
Model 126: to fuse No. 14, terminal 15
f) to starter lockout/back-up light switch, terminal 6

M1 Main ground (behind instrument cluster)
M2 Ground, right front (at head lamp unit)
M3 Ground, left front wheel housing (ignition coil)
M5 Ground, engine
M7 Ground, right side in trunk
(Model 107: behind fuel tank partition Model 126: on wheel housing)

Color Code
bl = blue
br = brown
ge = yellow
gn = green
gr = grey
rt = red
rs = pink
sw = black
vi = purple
wh = white

@!*�J*Test Procedure:





Fig. 1:





Fig. 2:





Fig. 3:





Fig. 4:





Fig. 5:





Fig. 6:





Fig. 7:





Fig. 8:





Fig. 9: