Operation CHARM: Car repair manuals for everyone.
Manuals through 2025 now available!

Our trusted friends have launched a new website named LEMON, which has newer manuals. It also contains all the CHARM manuals.

LEMON is the spiritual successor to CHARM, I recommend you try it!

Link: lemon-manuals.la or lemon-manuals.org.ua

(Some people have issue connecting. LEMON is investigating. For now, use Firefox or change your DNS server)

Or, hide this message: temporarily or permanently

Cold-Start System Test


Test Values
^ Cranking Voltage - 10 Volts

Special Tools
^ Valve Tester, Bosch KDJE-P 400 - 904 589 00 21 00
^ Connective line, cold-start valve to tester - 117 070 28 32
^ Connecting fitting, connecting line to tester - 915006 004002
^ Safety plug for ignition system - 102 589 02 21 00

Conventional Tools
^ Digital multimeter (volt-ohmmeter) - e.g. Sun Electric DMM-5
^ Tachometer - e.g. Sun Electric

Test
- Disconnect electrical plug from warm-up compensator and from cold-start valve.

�W�Test Procedure:





Fig. 1:





Fig. 2:





Testing The Thermo-time Switch

NOTE:
- The cold-start valve is opened via the thermo-time switch at coolant temperatures below 15°C (59°F). The operating time increases with decreasing temperatures and attains 12 seconds at (-)20°c (-4°F).

- The opening time of the cold-start valve increases with decreasing temperatures by approximately 1.5 seconds for every 5°C (9°F).
^ e.g. 15°C (59°F) = 0 seconds
10°C (50°F) = 1.5 seconds


A. Testing The Thermo-time Switch Below 15°C (59°F) Coolant Temperature

Test Procedure:





Fig. 1:




NOTE: It is recommended to also test the thermo-time switch with an ohmmeter

B. Testing The Thermo-time Switch Above 15°C (59°F) Coolant Temperature

Test Procedure:









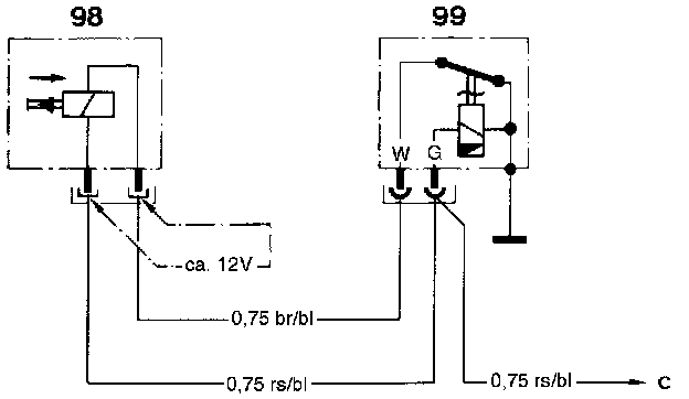
98. Cold-start valve
99. Thermo-time switch
c) To terminal 50

NOTE: Above 15°C (59°F) coolant temperature, the thermo-time switch can be tested only by using an ohmmeter.