Operation CHARM: Car repair manuals for everyone.
Manuals through 2025 now available!

Our trusted friends have launched a new website named LEMON, which has newer manuals. It also contains all the CHARM manuals.

LEMON is the spiritual successor to CHARM, I recommend you try it!

Link: lemon-manuals.la or lemon-manuals.org.ua

(Some people have issue connecting. LEMON is investigating. For now, use Firefox or change your DNS server)

Or, hide this message: temporarily or permanently

Ignition System: Testing and Inspection





Test Values:





Conventional Tools
^ Digital multimeter (volt-ohm-ammeter) - e.g. Sun Electric DMM-5
^ Dwell angle meter - e.g. Sun Electric





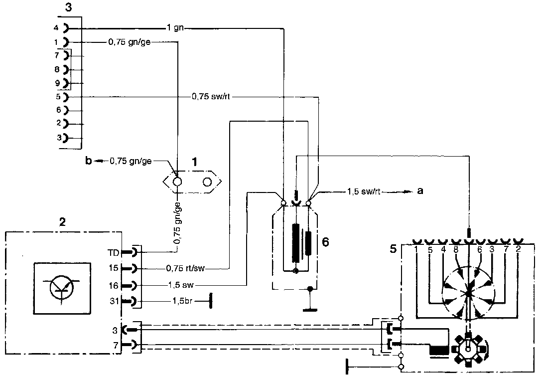
Wiring Diagram
Wiring diagram breakerless transistorized ignition without series resistors:
1. Line connector
2. Switching unit
3. Diagnostic socket
5. Ignition distributor
6. Ignition coil
a) to fuse box, input terminal 15
b) to fuel pump relay with speed limitation

Color Code
br = brown
ge = yellow
gn = green
rt = red
sw = black

Test Procedure:





Fig. 1:





Fig. 2:





Fig. 3:





Fig. 4:





Fig. 5:





Fig. 6:





Fig. 7:





Fig. 8: