Operation CHARM: Car repair manuals for everyone.
Manuals through 2025 now available!

Our trusted friends have launched a new website named LEMON, which has newer manuals. It also contains all the CHARM manuals.

LEMON is the spiritual successor to CHARM, I recommend you try it!

Link: lemon-manuals.la or lemon-manuals.org.ua

(Some people have issue connecting. LEMON is investigating. For now, use Firefox or change your DNS server)

Or, hide this message: temporarily or permanently

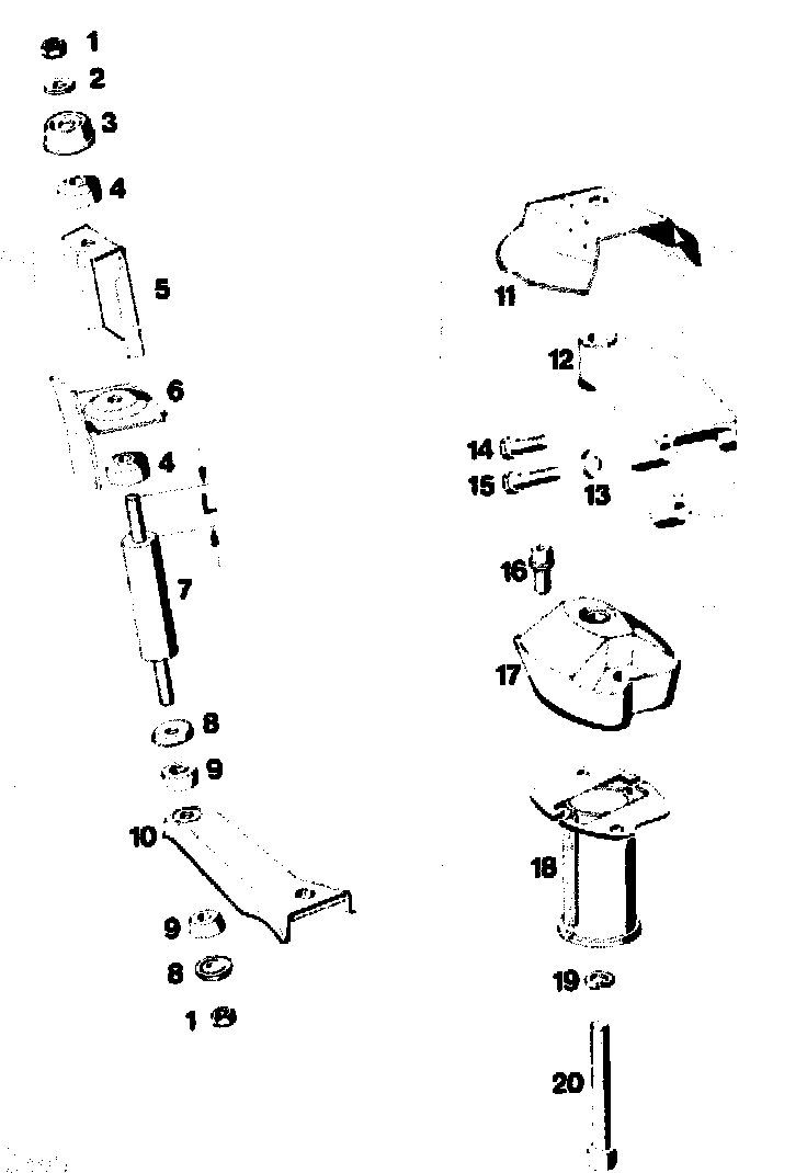
Front Engine Mounts







1 Nut M6
2 Washer A7.4
3 Cup washer 43 mm dia.
4 Rubber buffer 36 mm dia.
5 Shielding plate
6 Bracket on side member
7 Engine shock absorber, L = 45mm
8 Cup washer 30 mm dia.
9 Rubber buffer 26 mm dia.
10 Bracket left
Bracket right
11 Shielding plate
12 Engine carrier left 116 223 46 04
Engine carrier right 116 223 47 04
13 Washer A 8.4
14 Screw M 8x45
15 Screw M 8x60
16 Combination screw M8 x 18
17 Engine mount left (1 white dot)
Engine mount right (2 white dots)
18 Guide sleeve
19 Spring washer B 12
20 Screw M 12x 80