Operation CHARM: Car repair manuals for everyone.
Manuals through 2025 now available!

Our trusted friends have launched a new website named LEMON, which has newer manuals. It also contains all the CHARM manuals.

LEMON is the spiritual successor to CHARM, I recommend you try it!

Link: lemon-manuals.la or lemon-manuals.org.ua

(Some people have issue connecting. LEMON is investigating. For now, use Firefox or change your DNS server)

Or, hide this message: temporarily or permanently

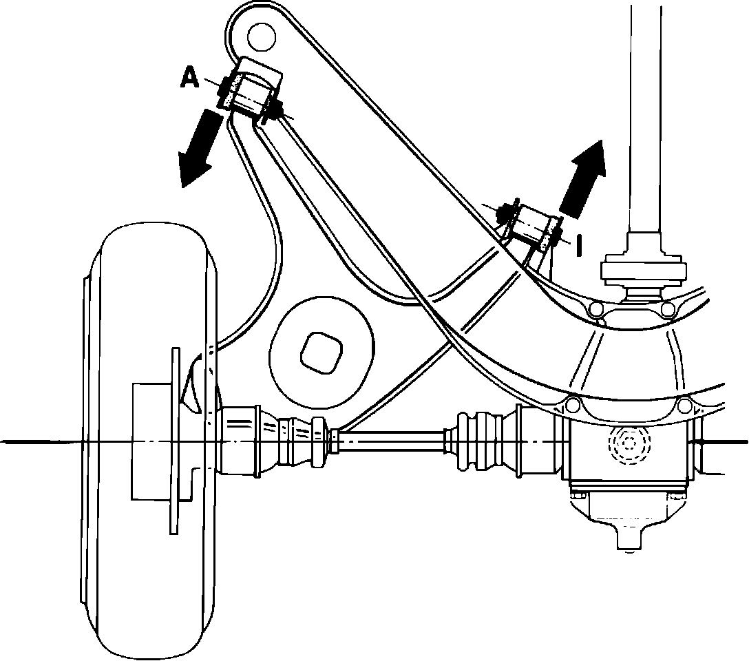
Rear Wheel Alignment

Fig. 1 Decreasing toe-in:




Fig. 2 Increasing toe-in:





TOE-IN

Toe-in of the rear wheels result from the location of the rear axle carrier and the semi-trailing arms. Toe-in value depends within certain limits on the semi-trailing arm position of the rear axle.
Toe-in can be corrected or the nominal value can be attempted by the installation of eccentric rubber mounts in the semi-trailing arms. Semi-trailing arm eccentric rubber mount part No. 1233520765 is available to correct toe-in. To reduce toe-in, install outer rubber mount, (A) with arrow pointing toward the rear as shown in Fig. 1 and inner rubber mount (1), pointing toward the front.
To increase toe-in, install outer rubber mount (A) with arrow pointing toward the front as shown in Fig 2 and inner rubber mount (1), pointing toward the rear.